VCA chip, vervanging voor potmeter (Algemeen)

door Marotick ⌂ @, Huizen, 14-12-2025, 15:00 (1 dag en 3 uur geleden)

Beste iedereen, ik zoek voor oude Revox bandrecorders vervanging voor de krakende volume potmeters. Ik probeer die altijd weer werkend te krijgen maar dat lukt niet altijd maar vaak lukt het wel om 1 sectie toch werkend te krijgen al was het maar door een instelpotje te monteren.

Ik zoek al geruime tijd een chip die een variabele weerstand creëert bij het aansturen van een gelijkspanning. Die potmeters in een chip zijn er veel maar die worden dan aangestuurd door I2C systemen en dat wordt dan wel een hele operatie.
In een Revox mixer zit een DBX2150A chip die alleen nog in China te koop is voor ca 30 euro.
Dat kan natuurlijk wel maar het lijkt me dat het ook anders en goedkoper kan.
Heeft iemand ideeën of een oplossing?

Jack Marotick

VCA chip, vervanging voor potmeter

door Ben ⌂ @, Waddinxveen, 14-12-2025, 15:29 (1 dag en 3 uur geleden) @ Marotick

Denk zo snel iets met een LM3914/15 met weerstandjes i.p.v. leds.
Groet, Ben

VCA chip, vervanging voor potmeter

door electron @, eindhoven, 14-12-2025, 16:27 (1 dag en 2 uur geleden) @ Ben
Gewijzigd door electron, 14-12-2025, 16:45

ja.. welke Revox?:ng
Dat kraken komt door gelijkstroom die je met factor 100x kan verkleinen
met een transistor en weerstand- kost niks tot 1 euro- afhankelijk van schema! Werkte bij mij!
En trouwens waarom goede chip vervangen...
Ben@
[image]

VCA chip, vervanging voor potmeter

door Harry59 ⌂ @, Zulte, 14-12-2025, 18:54 (23 uur en 51 minuten geleden) @ Marotick

Zoek eens op TCA730. Er stond heel lang geleden een artikel in Elektuur samen met de TCA740. KLIK

VCA chip, vervanging voor potmeter

door Hersteller @, Haarlem, 14-12-2025, 20:16 (22 uur en 28 minuten geleden) @ Harry59
Gewijzigd door Hersteller, 14-12-2025, 20:18

Waren toen leuke chips, maar met een hele slechte S/N. Zeg maar cassette zonder dolby.

VCA chip, vervanging voor potmeter

door Marotick ⌂ @, Huizen, 14-12-2025, 21:19 (21 uur en 26 minuten geleden) @ Harry59

Dat ziet er leuk uit.
Ik ga dat eens proberen maar eerst kijken of die IC's nog ergens te koop zijn.
De specificaties zijn ook mooi zag ik in de data sheet.
Recht van 20 tot 20.000 Hz binnen 1 dB en weinig ruis -67dB

Jack

VCA chip, vervanging voor potmeter

door Hersteller @, Haarlem, 14-12-2025, 21:39 (21 uur en 5 minuten geleden) @ Marotick
Gewijzigd door Hersteller, 14-12-2025, 21:48

De iets betere S/N is de 730A. Tegenwoordig is 90dB normaal.

VCA chip, vervanging voor potmeter

door Maarten Bakker ⌂ @, Haarlem/Delft, 14-12-2025, 23:06 (19 uur en 39 minuten geleden) @ Marotick

Als je geluk hebt nog te vinden als A273D en A274D, fabrikaat HFO.

VCA chip, vervanging voor potmeter

door MarcelvdG @, 14-12-2025, 22:12 (20 uur en 33 minuten geleden) @ Marotick

Hele goede VCA's voor studiotoepassingen, voor zover die nog niet digitaal geworden zijn, vind je bij THAT corp.:

https://thatcorp.com/blackmer-voltage-controlled-amplifier-ics/

Het zijn geen 1:1 vervangingen voor potmeters, maar dat geldt ook voor die TCA730.

VCA chip, vervanging voor potmeter

door bachphu @, 15-12-2025, 18:17 (28 minuten geleden) @ Marotick

Natuurlijk, er zijn een aantal alternatieven die je kunt overwegen. Als je een variabele weerstand zoekt die je kunt bedienen zonder de complexiteit van een I2C-systeem, kun je kijken naar digitale potentiometers die worden aangestuurd via PWM of eenvoudige analoge signalen. Bijvoorbeeld een chip zoals de MCP4017 of vergelijkbare modellen zouden een oplossing kunnen bieden, en die liggen vaak in een lagere prijsklasse dan de DBX2150A. Daarnaast, als je flexibiliteit wilt, kun je overwegen om een kleine microcontroller zoals een Arduino te gebruiken om een digitaal signaal om te zetten naar een analoge variabele weerstand. Het klinkt misschien ingewikkeld, maar dat kan in veel gevallen verrassend eenvoudig en kostenbesparend zijn. Hopelijk biedt dit wat inspiratie!

VCA chip, vervanging voor potmeter

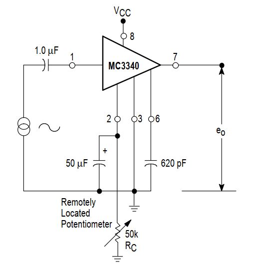
door Goldline @, Oranjedorp, 15-12-2025, 18:42 (3 minuten geleden) @ Marotick

Om een 6 voudige motorpotmeter te creëren, heb ik dit ic gebruikt, wel kritisch met de juiste regelspanning :
[image]

--
Cees PA1DBA

powered by my little forum