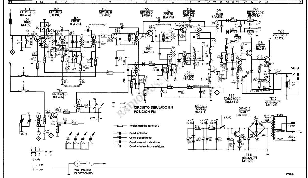
Voedingsspaning probleem Philips Radio 270 90AL270/40 (Algemeen)
![[image]](images/uploaded/202512201933156946f9fb203d6.jpg)
Complete draad:
- Voedingsspaning probleem Philips Radio 270 90AL270/40 -
DirkInductie,
18-12-2025, 21:12
- Voedingsspaning probleem Philips Radio 270 90AL270/40 -
soundman2,
18-12-2025, 21:34
- Voedingsspaning probleem Philips Radio 270 90AL270/40 -
DirkInductie,
18-12-2025, 22:37
- Voedingsspaning probleem Philips Radio 270 90AL270/40 -
soundman2,
18-12-2025, 22:43
- Voedingsspaning probleem Philips Radio 270 90AL270/40 -
ruudam,
19-12-2025, 02:28
- Voedingsspaning probleem Philips Radio 270 90AL270/40 -
DirkInductie,
20-12-2025, 19:21
- Voedingsspaning probleem Philips Radio 270 90AL270/40 - Maarten Bakker, 21-12-2025, 00:16
- Voedingsspaning probleem Philips Radio 270 90AL270/40 -
DirkInductie,
20-12-2025, 19:21
- Voedingsspaning probleem Philips Radio 270 90AL270/40 -
ruudam,
19-12-2025, 02:28
- Voedingsspaning probleem Philips Radio 270 90AL270/40 -
soundman2,
18-12-2025, 22:43
- Voedingsspaning probleem Philips Radio 270 90AL270/40 -
DirkInductie,
18-12-2025, 22:37
- Voedingsspaning probleem Philips Radio 270 90AL270/40 -
Gerard in Zeist,
20-12-2025, 19:36
- Voedingsspaning probleem Philips Radio 270 90AL270/40 - DirkInductie, 20-12-2025, 20:21
- Voedingsspaning probleem Philips Radio 270 90AL270/40 -
DirkInductie,
20-12-2025, 20:33
- Voedingsspaning probleem Philips Radio 270 90AL270/40 -
DirkInductie,
20-12-2025, 23:35
- Voedingsspaning probleem Philips Radio 270 90AL270/40 -
Maurice,
21-12-2025, 00:23
- Voedingsspaning probleem Philips Radio 270 90AL270/40 -
ruudam,
21-12-2025, 01:40
- Voedingsspaning probleem Philips Radio 270 90AL270/40 -
DirkInductie,
22-12-2025, 21:13
- Voedingsspaning probleem Philips Radio 270 90AL270/40 - soundman2, 22-12-2025, 21:34
- Voedingsspaning probleem Philips Radio 270 90AL270/40 -
Maurice,
22-12-2025, 23:04
- Voedingsspaning probleem Philips Radio 270 90AL270/40 - soundman2, 23-12-2025, 13:34
- Voedingsspaning probleem Philips Radio 270 90AL270/40 -
DirkInductie,
22-12-2025, 21:13
- Voedingsspaning probleem Philips Radio 270 90AL270/40 -
ruudam,
21-12-2025, 01:40
- Voedingsspaning probleem Philips Radio 270 90AL270/40 -
Maurice,
21-12-2025, 00:23
- Voedingsspaning probleem Philips Radio 270 90AL270/40 -
DirkInductie,
20-12-2025, 23:35
- Voedingsspaning probleem Philips Radio 270 90AL270/40 -
Hersteller,
22-12-2025, 22:21
- Voedingsspaning probleem Philips Radio 270 90AL270/40 - ruudam, 23-12-2025, 14:15
- Voedingsspaning probleem Philips Radio 270 90AL270/40 -
soundman2,
18-12-2025, 21:34