De LDL1002 gereed en een vraag aanpassen VCR-sync (Algemeen)
Hoi,
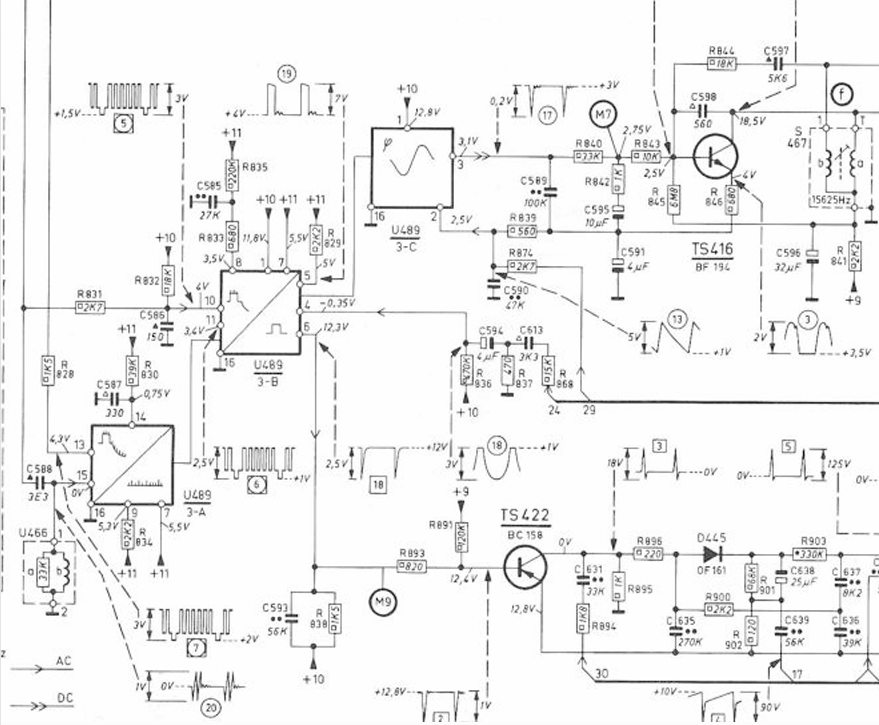
De X20T862 is een hybride chassis (buizen, Transistoren en een IC)
De sync wordt gedaan door het IC, een N1610M
![[image]](images/uploaded/2026010116225869569f62b7d29.png)
Maar enige gegevens heb ik niet kunnen vinden van dit IC
Complete draad:
- De LDL1002 gereed en een vraag aanpassen VCR-sync -
Erik,
01-01-2026, 16:28
- De LDL1002 gereed en een vraag aanpassen VCR-sync -
soundman2,
01-01-2026, 16:46
- De LDL1002 gereed en een vraag aanpassen VCR-sync -
Erik,
01-01-2026, 17:24
- De LDL1002 gereed en een vraag aanpassen VCR-sync - soundman2, 01-01-2026, 17:35
- De LDL1002 gereed en een vraag aanpassen VCR-sync - Maarten Bakker, 01-01-2026, 19:05
- De LDL1002 gereed en een vraag aanpassen VCR-sync -
kris,
02-01-2026, 01:21
- De LDL1002 gereed en een vraag aanpassen VCR-sync - Erik, 02-01-2026, 18:16
- De LDL1002 gereed en een vraag aanpassen VCR-sync -
Erik,
01-01-2026, 17:24
- De LDL1002 gereed en een vraag aanpassen VCR-sync -
Maurice,
01-01-2026, 18:55
- De LDL1002 gereed en een vraag aanpassen VCR-sync - RenéDaemen, 01-01-2026, 19:01
- De LDL1002 gereed en een vraag aanpassen VCR-sync -
Maarten Bakker,
01-01-2026, 19:02
- De LDL1002 gereed en een vraag aanpassen VCR-sync -
Maurice,
01-01-2026, 22:52
- De LDL1002 gereed en een vraag aanpassen VCR-sync - Maarten Bakker, 03-01-2026, 22:36
- De LDL1002 gereed en een vraag aanpassen VCR-sync -
Maurice,
01-01-2026, 22:52
- De LDL1002 gereed en een vraag aanpassen VCR-sync - Maurice, 01-01-2026, 22:40
- De LDL1002 gereed en een vraag aanpassen VCR-sync -
Maurice,
01-01-2026, 22:47
- De LDL1002 gereed en een vraag aanpassen VCR-sync -
Erik,
01-01-2026, 23:20
- De LDL1002 gereed en een vraag aanpassen VCR-sync -
Erik,
03-01-2026, 14:21
- De LDL1002 gereed en een vraag aanpassen VCR-sync - BenM, 03-01-2026, 16:00
- De LDL1002 gereed en een vraag aanpassen VCR-sync - Goldline, 03-01-2026, 19:04
- De LDL1002 gereed en een vraag aanpassen VCR-sync -
Erik,
03-01-2026, 14:21
- De LDL1002 gereed en een vraag aanpassen VCR-sync -
Erik,
01-01-2026, 23:20
- De LDL1002 gereed en een vraag aanpassen VCR-sync -
soundman2,
01-01-2026, 16:46