24V TL verlichting (Toestel of techniek)
door Jan Dirk
, Stadskanaal, 08-08-2009, 22:19 (6026 dagen geleden)
Vandaag binnengekregen van een goede kennis, lampjes voor de boot, maar helaas verkeerd om aangesloten
Op zich niet zo`n probleem, maar op de opgeblazen halfgeleider is niet meer zichtbaar wat voor type het is, en of het een nu een transistor of een IC is.
Het is een eenvoudige schakeling met een trafo, 1 elko, 1 weerstand en 3 kondensatoren en natuurlijk de driver/oscillator waarop nog zichtbaar..6?49 AL C
![[image]](images/uploaded/200908090015444a7df9103478b.jpg)
![[image]](images/uploaded/200908090016404a7df94836d0d.jpg)
groet JD
24V TL verlichting
door Paul Brouwer
, Haarlem, 08-08-2009, 22:35 (6026 dagen geleden) @ Jan Dirk
Gewijzigd door Paul Brouwer, 08-08-2009, 22:45
Hallo Jan Dirk,
Het ziet eruit als een spanningsregelaar/-begrenzer.
Die heb je ongeregeld (3 pootjes) en geregeld (5 pootjes).
Groet,
Paul
--
![[image]](http://www.philipsradios.nl/208U_bestanden/image003.jpg)
24V TL verlichting
door Jan Dirk
, Stadskanaal, 08-08-2009, 23:08 (6026 dagen geleden) @ Paul Brouwer
Hoi Paul,
Dan begrijp ik niet hoe je met een spanningsregelaar de zaak aan het oscilleren krijgt ??????
.
groet JD
24V TL verlichting
door Paul Brouwer
, Haarlem, 08-08-2009, 23:27 (6026 dagen geleden) @ Jan Dirk
Hallo Jan Dirk,
Ik vraag mij af of "de boel" wel moet oscileren. In mijn beleving moet de spanning op 24V gehouden worden.
In kan er natuurlijk vierkant naast zitten....
Groet,
Paul
--
![[image]](http://www.philipsradios.nl/208U_bestanden/image003.jpg)
24V TL verlichting
door Jan Dirk
, Stadskanaal, 09-08-2009, 09:15 (6026 dagen geleden) @ Paul Brouwer
Gewijzigd door Jan Dirk, 09-08-2009, 09:18
Hoi Paul,
De 24 Volt is de ingangsspanning welke zeker naar ± 300 Volt moet worden omgevormd om het TL buisje te laten ontsteken.
Waarbij de frequentie meestal in de Kilo-Hertzen loopt, vandaar dat ik denk dat het een IC moet zijn om het geheel aan te sturen.
groet JD.
24V TL verlichting
door Armand
, België, 09-08-2009, 07:20 (6026 dagen geleden) @ Jan Dirk
Hallo Jan Dirk,
Kan je er geen schema van tekenen en hier op het forum plaatsen?
Dat kan misschien duidelijkheid scheppen.
Het leek voor mij op een thyristor maar in deze toepassing?
Mvgr,
Armand
24V TL verlichting
door Jan Dirk
, Stadskanaal, 09-08-2009, 09:17 (6026 dagen geleden) @ Armand
Hallo Armand,
Wanneer ik vanmiddag of vanavond even tijd heb zal ik dat zeker doen.
groet JD.
24V TL verlichting
door Paul Brouwer
, Haarlem, 09-08-2009, 09:42 (6026 dagen geleden) @ Armand
Gewijzigd door Paul Brouwer, 09-08-2009, 09:45
Hallo Armand,
Jij zegt, ik dacht er aan maar was niet zeker. Dus eens een en ander opgezocht:
Een thyristor is een halfgeleider met de werking van een elektronische schakelaar die geschikt is om grote vermogens bij hoge spanningen met betrekkelijk weinig verlies te schakelen.
![[image]](images/uploaded/200908091141004a7e99ac6c5bc.jpg)
Werking
Een thyristor gedraagt zich als een schakelbare diode, die met een extra stuuraansluiting (de z.g. gate) te bedienen is. De kathode wordt gemeenschappelijk gebruikt voor hoofdstroom en stuurstroom. Bij het aanleggen van een positieve gelijkspanning op de anode ten opzichte van de kathode kan de thyristor door een triggerpuls op de gate in geleiding gebracht worden; er loopt dan een stroom door de thyristor en door de belasting. Als er eenmaal stroom loopt blijft deze lopen ongeacht de spanning op de gate. Dit is goed te zien in het vervangingsschema (zie afbeelding). Beide transistoren sturen elkaar open. Wel neemt de dissipatie (warmte-ontwikkeling) in de thyristor toe naarmate er meer stroom door de gate loopt. Daarom wordt in professionele regelingen een reeks korte pulsjes (pulstrein) gebruikt. De thyristor schakelt pas weer uit als de stroom erdoor onder een minimumwaarde daalt. Deze grens wordt de houdstroom (IH) genoemd en verschilt per type thyristor. Een thyristor kan daarom alleen bij gelijkgerichte wisselspanning worden gebruikt, want tijdens de nuldoorgang is de stroom kleiner dan de houdstroom. Als de anodespanning negatief wordt gedraagt de thyristor zich als isolator.
(bron: Wikipedia)
Groet,
Paul
--
![[image]](http://www.philipsradios.nl/208U_bestanden/image003.jpg)
24V TL verlichting
door Armand
, België, 09-08-2009, 10:45 (6026 dagen geleden) @ Paul Brouwer
Dag Paul,
Een schema zou wel wat meer duidelijkheid kunnen geven.Als ik het goed begrijp is de boordspanning 24 Volt en deze wordt omgezet naar 230 Volt door de transfo.Dus zou het best wel eens kunnen zijn zoiets in de richting van de triac/thyristorfamilie.
Mvgr,
Armand
24V TL verlichting
door Jan Dirk
, Stadskanaal, 09-08-2009, 13:48 (6026 dagen geleden) @ Armand
Gewijzigd door Jan Dirk, 09-08-2009, 14:18
Dag Paul,
Een schema zou wel wat meer duidelijkheid kunnen geven.Als ik het goed begrijp is de boordspanning 24 Volt en deze wordt omgezet naar 230 Volt door de transfo.Dus zou het best wel eens kunnen zijn zoiets in de richting van de triac/thyristorfamilie.
Mvgr,
Armand
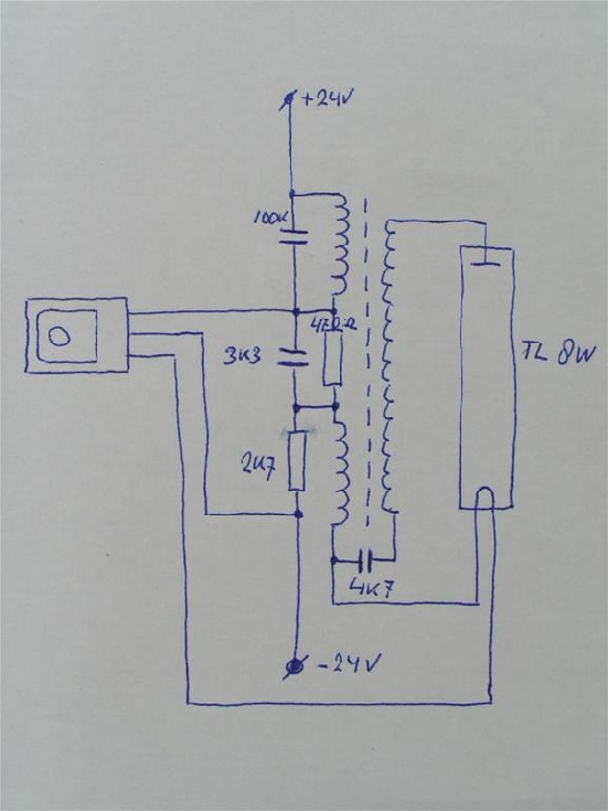
Armand & Paul,
Hierbij even een snelle krabbel van de schakeling, in mijn opinie zou het inderdaad wel eens een thyristor of power-mosfet kunnen zijn.
![[image]](images/uploaded/200908091545344a7ed2fe79b46.jpg)
groet JD.
24V TL verlichting
door soundman2
, Wouw, 09-08-2009, 14:27 (6026 dagen geleden) @ Jan Dirk
Gewijzigd door soundman2, 09-08-2009, 14:29
Dag Paul,
Een schema zou wel wat meer duidelijkheid kunnen geven.Als ik het goed begrijp is de boordspanning 24 Volt en deze wordt omgezet naar 230 Volt door de transfo.Dus zou het best wel eens kunnen zijn zoiets in de richting van de triac/thyristorfamilie.
Mvgr,
Armand
Armand & Paul,Hierbij even een snelle krabbel van de schakeling, in mijn opinie zou het inderdaad wel eens een thyristor of power-mosfet kunnen zijn.
groet JD.
Het gros van deze schakelingen is een een-transistor oscillator.
Deze lijkt niet anders te zijn. Aangezien de collector (bij dit soort behuizing meestal de middenpen) aan -24 volt ligt volgens de tekening, zou het een pnp transistor moeten zijn. Een vrij snelle schakeltransistor 100v/1A lijkt in dit geval voldoende
24V TL verlichting
door Pieter Vos
, 09-08-2009, 17:34 (6026 dagen geleden) @ soundman2
Dag Paul,
Een schema zou wel wat meer duidelijkheid kunnen geven.Als ik het goed begrijp is de boordspanning 24 Volt en deze wordt omgezet naar 230 Volt door de transfo.Dus zou het best wel eens kunnen zijn zoiets in de richting van de triac/thyristorfamilie.
Mvgr,
Armand
Armand & Paul,Hierbij even een snelle krabbel van de schakeling, in mijn opinie zou het inderdaad wel eens een thyristor of power-mosfet kunnen zijn.
groet JD.
Het gros van deze schakelingen is een een-transistor oscillator.
Deze lijkt niet anders te zijn. Aangezien de collector (bij dit soort behuizing meestal de middenpen) aan -24 volt ligt volgens de tekening, zou het een pnp transistor moeten zijn. Een vrij snelle schakeltransistor 100v/1A lijkt in dit geval voldoende
-----------------------------------------------------
Een PNP power transistor, daar zou ik ook op gokken. De getoonde halfgeleider zit in een TO126 behuizing. Als het een transistor is, zit de collector gewoonlijk in het midden. Op de tekening wordt de koelplaat montage zijde van de halfgeleider getoond. Van die zijde gezien zit de emitter rechts van de collector aansluiting. Inderdaad, deze veronderstelde emitter hangt via een trafo wikkeling aan de plus.
De basis zit links van de collector aansluiting. Deze veronderstelde basis ligt via de TL buis gloeidraad aan een tweede wikkeling op de trafo. Via deze wikkeling zal de basis meegekoppeld aangestuurd worden. De schakeling is dus een oscillator circuit dat lijkt op de Hartley oscillator gebruikt in HF schakelingen.
De basis verbinding via de TL buis gloeidraad is expres zo gedaan zodat de schakeling niet zal oscilleren als er geen TL buis in zit. De gloeidraad zal niet gloeien, dat gebeurt alleen bij TL armaturen met starters. De gloeidraad dient alleen als elektrode, waarbij - als de spanning tussen deze en de andere elektrode maar hoog genoeg is - vanzelf de gasontlading van de kwikdamp in de buis zal starten.
Mogelijke vervang transistor: BD140 (zit ook in een TO126 huisje)
Groet, Pieter.
24V TL verlichting
door Paul Brouwer
, Haarlem, 09-08-2009, 19:44 (6025 dagen geleden) @ Pieter Vos
Hallo Pieter,
Het oscileert dus weldegelijk als ik jouw verhaal zo lees.
En ik in het begin maar denken dat het "ding" (ik had nog geen idee wat het was)
er voor diende om de spanning te stabiliseren, doch met een schuin oog wel naar
de thyristor kijkend.
Het blijft een mooi medium waar zoveel kennis bij elkaar komt.
Nu het ook nog onthouden...
Groet,
Paul
--
![[image]](http://www.philipsradios.nl/208U_bestanden/image003.jpg)
24V TL verlichting
door Jan Dirk
, Stadskanaal, 09-08-2009, 19:47 (6025 dagen geleden) @ Pieter Vos
Heren bedankt voor meedenken en de juiste conclusie
Het is een "BD238 NPN 25-Watt" iets beter dan de "BD140 NPN 8-Watt" geworden verder waren de spec`s hetzelfde.
Ik zal er persoonlijk op toezien dat het niet weer verkeerd wordt aangesloten
Hierbij dan ook even een paar sfeerplaatjes van de lamp en nogmaals dank
![[image]](images/uploaded/200908092143264a7f26dede3c9.jpg)
![[image]](images/uploaded/200908092143594a7f26ffa19d6.jpg)
groet JD.
24V TL verlichting
door soundman2
, Wouw, 09-08-2009, 22:29 (6025 dagen geleden) @ Jan Dirk
Gewijzigd door soundman2, 09-08-2009, 22:31
Heren bedankt voor meedenken en de juiste conclusie
![]()
Het is een "BD238 NPN 25-Watt" iets beter dan de "BD140 NPN 8-Watt" geworden verder waren de spec`s hetzelfde.
Ik zal er persoonlijk op toezien dat het niet weer verkeerd wordt aangesloten![]()
Hierbij dan ook even een paar sfeerplaatjes van de lamp en nogmaals dank![]()
groet JD.
Maar goed dat BD238 en BD140 PNP transistors zijn
Je kunt in de voedingsdraad een zekering opnemen en een diode in sper over de voedingsdraden zetten, na de zekering. In geval van verkeerd om aansluiten, zal de zekering de geest geven, maar blijft je schakelingetje heel.
Henk Roovers
24V TL verlichting
door Ed van der Weele †
, Zeist, 09-08-2009, 23:34 (6025 dagen geleden) @ soundman2
Je kunt in de voedingsdraad een zekering opnemen en een diode in sper over de voedingsdraden zetten, na de zekering. In geval van verkeerd om aansluiten, zal de zekering de geest geven, maar blijft je schakelingetje heel.
Daar zit m.i. een gevaar in. Nadat de zekering is doorgebrand is er geen zekerheid of de diode nog functioneert; die heeft immers een flinke stroom te verduren gekregen. Zij het kortstondig.
Als de diode na de 'mishandeling' kortsluiting vertoont is er weinig aan de hand. Maar als de diode onderbroken is en de zekering wordt daarna - zonder over de oorzaak na te denken - vervangen kost het opnieuw een transistor.
In eerste instantie lijkt het mij te proberen of de ompoolbeveiliging met een diode in serie kan worden uitgevoerd.
Er ontstaat een spanningsval van ca. 0,7 Volt over de diode, maar als de schakeling niet al te kritisch is v.w.b. de voedingsspanning is de veiligheid hoger dan met een diode parallel over de voedingsspanning.
24V TL verlichting
door Willem.H.N.
, Enschede, 10-08-2009, 07:15 (6025 dagen geleden) @ Ed van der Weele †
Ik heb schijnbaar wat met een brugcel en als je die er voor zet geen last
meer van verkeerd aansluiten met plus en min.
grt. willem.
24V TL verlichting
door Ed van der Weele †
, Zeist, 10-08-2009, 08:24 (6025 dagen geleden) @ Willem.H.N.
Een brugcel heeft alleen als nadeel dat je twee keer een spanningsverlies van de diodes krijgt. De schakeling moet nog wel kunnen werken op die verlaagde spanning.
Ik ben het met je eens dat een brugcel alle vrijheid geeft om de draden willekeurig aan te sluiten. Dat heb ik dertig jaar geleden al toegepast voor een tl-buisje als tentverlichting. Een tweelingsnoer met krokodillebekjes naar de autoaccu.
24V TL verlichting
door soundman2
, Wouw, 10-08-2009, 08:28 (6025 dagen geleden) @ Willem.H.N.
Ik heb schijnbaar wat met een brugcel en als je die er voor zet geen last
meer van verkeerd aansluiten met plus en min.![]()
grt. willem.
Dan ben je 1,4 volt kwijt en dat zie je goed aan de helderheid.
Een diode in de "kortsluitmode" wordt wel vaker toegepast . Een 5 amp exemplaar zal niet zo gauw defect raken als de boel is afgezekerd met 2 ampère of minder. Kortstondig kunnen si-diodes vaak vele tientallen ampères doorlaten.
Bij een volgende keer foutief aansluiten.......??????
Het is gewoon een kwestie van opletten natuurlijk. Als je nergens naar kijkt, dan kan zelfs de accu sneuvelen waarmee je de zaak voedt.
Henk Roovers