Radio techniek markt Bladel (Algemeen)
door Hans van Kampen
, Voorhout, 22-12-2019, 20:08 (2253 dagen geleden)
Vandaag voor het eerst naar de radio techniek markt in Bladel geweest waar het druk was en ik vond het er gewoon gemoedelijk gezellig bij de bar met vele zitjes waar je koffie, soep, broodjes e.d. kon bemachtigen, velen gesproken ook. Wat een verschil met Driebergen, uitsluitend hobbyisten en geen sportlui maarja, Driebergen is een sportlocatie.
Zendamateur gericht dus heel anders als Driebergen. Ik heb enkele onderdelen kunnen bemachtigen voor de Arduino en dit monitortje voor weinig. Of ie monochroom groen is of paperwhite weet ik niet, zal wel een Z/W videomonitortje zijn want zit ook een tulp composiet videoingang op.
![[image]](images/uploaded/201912221827295dffb59140c17.jpg)
De voeding is gezien op de print 125 Volt wisselspanning maar moet uitplussen wat nou wat is en er zit een voor mij vreemde connector op voor voeding aansluiting.
![[image]](images/uploaded/201912221856505dffbc72ef069.jpg)
5 draden lopen van de connector naar print, rood, zwart, blauw, geel en groen.
Onder afgebeeld de connector.
![[image]](images/uploaded/201912221855465dffbc328513d.jpg)
Wie er wat over weet mag het zeggen anders struin ik het web wel af. Monitortje is een chassisuitvoering en hoort ergens in thuis.
Verder gekocht voor mijn in 1983 gebouwde laboratorium voeding (ELEKTUUR ontwerp) deze VA uitlezing, ik wil de wat on nauwkeurige analoge meters er voor vervangen.
![[image]](images/uploaded/201912221908165dffbf20cfb0b.jpg)
Hans
--
Hans van Kampen
Radio techniek markt Bladel
door Maarten Bakker
, Haarlem/Delft, 22-12-2019, 20:36 (2253 dagen geleden) @ Hans van Kampen
Leuk spul weer.
Of hij "monogroen" is of wit, is in veel gevallen vrij snel af te lezen aan het typenummer van de buis, dit staat op de sticker die op de foto net "om het hoekje" zit.
Radio techniek markt Bladel
door Hans van Kampen
, Voorhout, 22-12-2019, 21:01 (2253 dagen geleden) @ Maarten Bakker
Ik had al gegoogeld Maarten op een nummer wat op de beeldbuis staat maar leverde niets op. Ik lette ook op mogelijk een letter in het typenummer, G (groen) W (wit) A (Amber) maar staat er niet en alleen een nummer zegt me niets.
Hans
--
Hans van Kampen
Radio techniek markt Bladel
door kris
, Gent, België, 22-12-2019, 22:25 (2253 dagen geleden) @ Hans van Kampen
even in het donker met de zaklamp op de buis schijnen, en kijken met welke kleur de BB antwoord. 
Nanao monitortje
door Maarten Bakker
, Haarlem/Delft, 23-12-2019, 12:16 (2252 dagen geleden) @ Hans van Kampen
Gewijzigd door Maarten Bakker, 23-12-2019, 12:44
Google is niet alwetend. Je vergeet ook het daadwerkelijke nummer te geven aan de menselijke zoekmachine die 'transistorforum' heet
. Ik weet niet of NEC zich aan het gangbare systeem houdt, maar in de VS en Japan worden phosphoren vaak met getallen aangegeven. Zoals 4 voor televisiewit en 22 voor kleur.
EDIT: of is het nummer van NEC soms hetzelfde als dat van Nanao bovenop? En staat er geen tweede nummer van NEC op? Ik geloof dat ik met Google wel op een spoor zit, zie volgende edit of reply.
EDIT2: MG-550CDM zou wel eens een custompartnumber voor de buis kunnen zijn; Samsung heeft hem ook gemaakt (ben alsnog benieuwd of er op het NEC-etiket meer dan dat staat). In die variant zou hij voorkomen in de Icom IC-780, IC-781 en IC-R9000 en die zouden een amber beeld hebben. Best kans dat Nanao ook aan Icom leverde, maar deze monitor kan ook in andere instrumenten gebruikt zijn. Trouwens gewoon met Google gevonden.
EDIT3: Ik kom ook MG550CDA en CDW tegen. De W is televisiewit. Dan zou je vermoeden dat de A amber is, maar wat is de M dan? Op de Samsungbuis zou de M amber moeten betekenen, dus lijkt me dat alsnog de beste gok, maar er is dus een klein kansje op verwarring.
AC125V1.0A slaat uitsluitend op de zekering zo te zien. De kans lijkt me voor een Japanse instrumentatiemonitor aanwezig dat hij bijvoorbeeld voor 100VAC is of zelfs nog een fors stuk lager. Als er geen gelijkrichter en afvlakelco op de print zit, is een redelijk veilige gok 12VDC. Controleer dus wel goed wat er op moet komen te staan voordat je er spanning op zet.
Nanao monitortje
door Hans van Kampen
, Voorhout, 23-12-2019, 13:26 (2252 dagen geleden) @ Maarten Bakker
Hallo Maarten,
Op de zijkant van het buisje staat nog een sticker met als typenummer C5M113PUL en typenummer 5708 0101
Inderdaad, wat zou M dan betekenen op die andere sticker aangaande mijn opmerking dat een W wit zou moeten zijn (televisiewit zoals je schrijft) G voor groen en A voor Amber.
Hans
--
Hans van Kampen
Radio techniek markt Bladel
door Maurice
, Dordrecht, 22-12-2019, 22:54 (2253 dagen geleden) @ Hans van Kampen
Leuk monitortje.
Stekker is een bekende welke industrieel veel gebruikt wordt voor van alles en nog wat.
Stekker behoort natuurlijk toe aan de rest van een apparaat waar deze uit komt.
Dat kan van alles zijn wat beeld nodig heeft.
Stekker zal zijn,
Voeding
GND
Video (G1)
Contrast of helderheid regelening, denk geen knoppen aan de voor kant?
Voeding en video moet zo uit te vinden zijn.
Zal inderdaad maar beginnen met 125V
en of dat ook AC is?? Betwijfel dat!
Onderzoek dan ook of er ergens een trafo of voedingsdeel zit.
Voeding moet dan beginnen voor AC met OF een trafo OF een diode brug.
Anders is echt DC 125V.
Ook niet moeilijk, maar toch.
Radio techniek markt Bladel
door Hans van Kampen
, Voorhout, 23-12-2019, 13:30 (2252 dagen geleden) @ Maurice
Zit idd geen van buiten af bedienbare contrast en helderheidsregelaar op, wel instelpotjes op de print.
Ga verder aangaande je tips even zoeken maar is niet belangrijk hoor, leuk anatomische vitrine ding voor 5 Euro.
Hans
--
Hans van Kampen
Radio techniek markt Bladel
door Goldline
, Oranjedorp, 23-12-2019, 10:24 (2252 dagen geleden) @ Hans van Kampen
Meeste van deze monitoren uit industrie CNC machines draaien op 12V DC.
Denk dat de 125V AC/1,6A slaat op de gebruikte zekering.
Vaak is de aansturing Hercules ipv Video composiet . dan heb je externe sync nodig.
--
Cees PA1DBA
Radio techniek markt Bladel
door Leo Snoeren
, Dongen, 23-12-2019, 11:13 (2252 dagen geleden) @ Hans van Kampen
De voeding is gezien op de print 125 Volt wisselspanning maar moet uitplussen wat nou wat is en er zit een voor mij vreemde connector op voor voeding aansluiting.
Er is geen voeding aanwezig op de print (althans niet zichtbaar), ga er maar vanuit dat de tekst op de zekering slaat. Vermoedelijk werkt het ding op 12 of 24 volt DC. als ik het zo kan inschatten heb je 5 draden, waarvan draad 1 de ground is en draad 5 de +. De andere moet je uitvlooien waar die voor zijn.
Leuk ding!
--
Met vriendelijke groet,
Leo Snoeren
https://www.rrd.link/ (onder constructie)
leosnoeren(apenslingertje)freedom.nl
Radio techniek markt Bladel
door Hans van Kampen
, Voorhout, 23-12-2019, 13:38 (2252 dagen geleden) @ Leo Snoeren
Moet zeker voor DC zijn want zie geen diodes of brug voor gelijkrichting en zal idd wel 12 volt zijn.
Zoals je schrijft Leo zie ik ook geen voeding op de print.
Hans
--
Hans van Kampen
Radio techniek markt Bladel
door franshack
, Hengelo ov, 23-12-2019, 22:57 (2251 dagen geleden) @ Hans van Kampen
Deze buis (Groen) wordt hier aangeboden
De unit is waarschijnlijk een onderdeel van een Samsung ontvanger
succes ermee, frans
--
The boldness of ignorance:
'I have split atoms, but no energy was released'.
Tesla
Radio techniek markt Bladel
door Maarten Bakker
, Haarlem/Delft, 23-12-2019, 23:00 (2251 dagen geleden) @ franshack
Bij de groene versie lijkt het typenummer op CGR te eindigen.
Samsung mocht willen dat ze voor Icom spullen zouden bouwen.
Radio techniek markt Bladel
door franshack
, Hengelo ov, 23-12-2019, 23:33 (2251 dagen geleden) @ Maarten Bakker
Op enkele verdachte sites *) wordt een koppeling gelegd met de ontvangers van Samsung en de toepassing van de CRT MG550CDM b.v. Bildschirm Für Icom Ic780 Ic781 Ic-R9000 Samsung Mg550cdm
In de manual hfdst 9.2 (pdf pag. 154/198) lijkt het aansluitblokje afgebeeld te zijn.
*) signup.funlocket, ik ben daar verder niet op ingegaan.
gr. Frans
--
The boldness of ignorance:
'I have split atoms, but no energy was released'.
Tesla
Radio techniek markt Bladel
door Hans van Kampen
, Voorhout, 24-12-2019, 12:31 (2251 dagen geleden) @ franshack
Gewijzigd door Hans van Kampen, 24-12-2019, 12:46
Als ik zo kijk Frans zou ie idd uit die Samsung ontvanger kunnen komen, let op vorm chassis.
![[image]](images/uploaded/201912241130495e01f6e9cab1e.jpg)
![[image]](images/uploaded/201912241131095e01f6fd71d1c.jpg)
EDIT
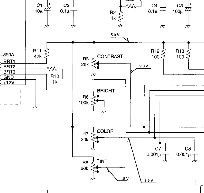
Zie schema van monitortje en kom color en tint regelaar tegen en is toch echt een monochroom monitortje dus is hem toch niet maar ik laat het zo. hij gaat toch de vitrine in.
![[image]](images/uploaded/201912241146355e01fa9b03e9e.jpg)
Hans
--
Hans van Kampen
Radio techniek markt Bladel
door Maarten Bakker
, Haarlem/Delft, 24-12-2019, 13:20 (2251 dagen geleden) @ Hans van Kampen
Het is logisch dat Samsung ook buisjes uit eigen fabriek gebruikt, maar in dit geval heeft Nanao een buisje van Samsung gebruikt. Het kan bijvoorbeeld wel dat Icom zowel bij Nanao als bij Samsung monitoren inkoopt, maar het kan ook volledig ongerelateerd zijn.
Ik blijf wel nieuwsgierig naar de phosphorkleur. Is er iets aan het scherm te zien? Je zou er ook eens met ultraviolet op kunnen schijnen.
Radio techniek markt Bladel
door Hans van Kampen
, Voorhout, 24-12-2019, 13:29 (2251 dagen geleden) @ Maarten Bakker
Gewijzigd door Hans van Kampen, 24-12-2019, 13:30
Ik zal eens kijken Maarten, wellicht stevig opwrijven met wollen doek dat het glas wat statisch wordt. Ik heb geen UV licht.
Er is niets aan het fosfor te zien, gewoon groen zoals ook met z/w buisjes.
--
Hans van Kampen
Radio techniek markt Bladel
door kris
, Gent, België, 24-12-2019, 14:46 (2251 dagen geleden) @ Hans van Kampen
zoals ik hierboven al schreef, in het donker eens met een sterke zaklamp of flits op schijnen. Een groene buis gaat zeker nalichten. een Z/W voor tv bijna niet.
Radio techniek markt Bladel
door Hans van Kampen
, Voorhout, 24-12-2019, 15:01 (2251 dagen geleden) @ kris
Je hebt gelijk Kris, heb ik gedaan en zie dat ie Amberkleurig oplicht.
Hans
--
Hans van Kampen
Radio techniek markt Bladel
door Maarten Bakker
, Haarlem/Delft, 24-12-2019, 15:20 (2251 dagen geleden) @ kris
En een koelwitte LED-zaklamp wil ook nog wel eens een beetje het phosphor aanslaan.
Edit: amber, lees ik net. Altijd handig om te weten!
Radio techniek markt Bladel
door Hans van Kampen
, Voorhout, 24-12-2019, 15:40 (2251 dagen geleden) @ Maarten Bakker
Had ik inderdaad Maarten een koelwitte LED zaklamp en na wegnemen lamp in donker duidelijk heel even een amberkleurige vlek die snel verdween. Weer wat geleerd
Dacht eerst iets statisch er bij te houden maar wat? had een kunststof staaf met doek gewreven maar werd niet statische maar die lamptruuk had ik niet aan gedacht.
Heb het op een klein z/w tv buisje geprobeerd en dat werkt weer niet, ook niet bij een groene scooppijp. Ik heb ook een radarbuis en licht prachtig groen op een hele tijd.
Hans
--
Hans van Kampen
Radio techniek markt Bladel
door HM
, Hilversum, 24-12-2019, 18:15 (2251 dagen geleden) @ Hans van Kampen
Ik denk dat je er wel vanuit mag gaan dat de monitor uit een Icom icr9000 of vergelijkbaar komt.
https://wiki.radioreference.com/index.php/IC-R9000
Deze ontvanger is OOK geschikt om tv op te kijken waarbij kleur naar amber moet worden omgezet.
Daar zullen dan de genoemde instelpotjes dienst voor doen.
Icom is een japanse fabrikant van professionele en amateur (zend)ontvangers.
Dat die Samsung of andere japanse merken gebruiken lijkt me niet vreemd.
Radio techniek markt Bladel
door Oldtimer
, Oegstgeest, 24-12-2019, 19:02 (2251 dagen geleden) @ HM
Icom is een japanse fabrikant van professionele en amateur (zend)ontvangers.
Dat die Samsung of andere japanse merken gebruiken lijkt me niet vreemd.
Samsung Japans?
Laten de Koreanen dat maar niet horen!
Zie ook: https://nl.wikipedia.org/wiki/Samsung_Group
Willem
Radio techniek markt Bladel
door Maarten Bakker
, Haarlem/Delft, 24-12-2019, 19:20 (2251 dagen geleden) @ Oldtimer
Ik las het zoals ik in mijn reactie ook schreef. Ze gebruiken misschien Samsung, of een (net als Icom zelf) Japans merk zoals Nanao die dit monitortje bouwde.