X-Tal Vraag, Vreemd gedrag (Toestel of techniek)

door Maurice ⌂ @, Dordrecht, 23-08-2020, 14:44 (2085 dagen geleden)
Gewijzigd door Maurice, 23-08-2020, 14:50

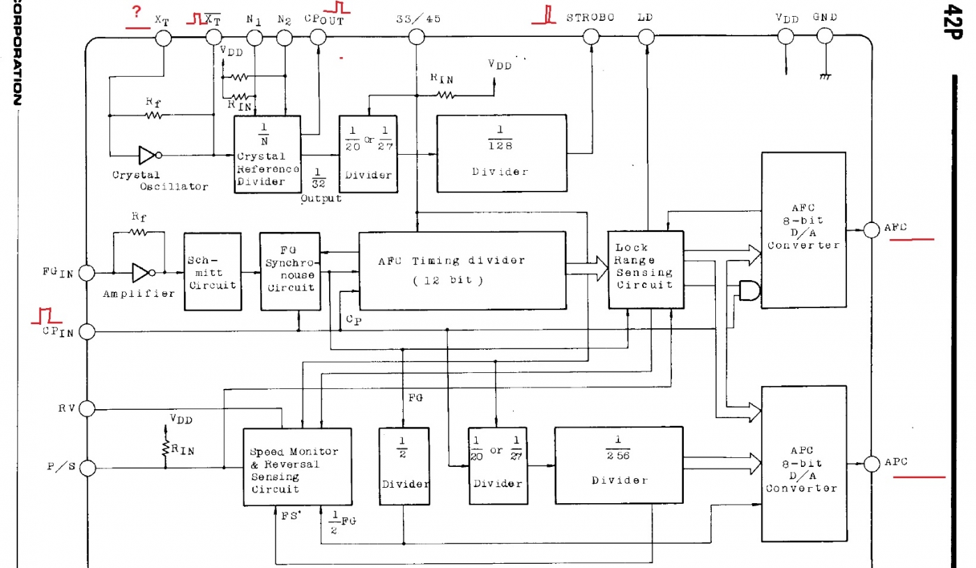
Heb een Motor sturing Quartz PLL.

Motor draait niet, heel soms wel.

Nu is het gekke dat ik maar op 1 poot van Kristal een signaal heb.poot 2 Xt-Not.
Hoezo kan een kristal voor de helft werken?
Deze kende ik nog niet.

Meet geen sluiting naar massa.Staat Dc(Hoog) op die poot 3 Xt welke
dus geen klok op te meten is. Raar.

Ik heb ook niets op de AFC en APC uitgangen.
Cp-Out wel en zit aan Cp-in.
Strobe puls heb ik ook.

[image]
[image]
[image]

Lijkt ook zo te zitten, echter ik heb een 3fase motor.Ieder geval t/m Opamp klopt het.
[image]

X-Tal Vraag, Vreemd gedrag

door soundman2 @, Wouw, 23-08-2020, 16:51 (2085 dagen geleden) @ Maurice
Gewijzigd door soundman2, 23-08-2020, 17:00

Het signaal op Xt kan natuurlijk een stuk kleiner zijn. Mogelijk slaat de oscillator af als je de probe aansluit. X-tal niet actief genoeg? Intern weerstandje defect?

Leerzaam:
https://www.nxp.com/docs/en/application-note/AN3208.pdf

X-Tal Vraag, Vreemd gedrag

door Maurice ⌂ @, Dordrecht, 23-08-2020, 19:12 (2085 dagen geleden) @ Maurice

De fout zat ergens anders.
De blauwe CSA 11.0MT dat blijkt een Ceramic Resonator te zijn van 11 MHz.
Gemeten 1,8 kHz, da's niet goed.

Stonk er in, 2 kristallen op bord.
Vervangen voor een gewone 11Mhz kristal.
MAAR helaas, Motor spint nu wel direct, Echter de koppen stappen motor
gaat nu niet meer stappen.
Dat weer.

Mogelijk dat toch die CPU heen is.
Zou erg jammer zijn.
Deze Harddisk vervangen gaat tegenwoordig dik in de papieren lopen.
Moet wel leuk blijven.

Nog even door vechten.
Misschien vind ik nog een of ander foutje.

Gisteren werkte ding nog perfect.
[image]

X-Tal Vraag, Vreemd gedrag

door soundman2 @, Wouw, 23-08-2020, 21:30 (2085 dagen geleden) @ Maurice

En dan te bedenken dat een bruikbaar exemplaar elders achteloos in de ton gekieperd wordt als rommel.

powered by my little forum