Generator (Aangeboden)

door Doeve @, Borgercompagnie, 14-02-2011, 00:35 (5419 dagen geleden)

Ik wil ruimte maken voor wat anders, daarom.
Pulstreingenerator €20,00 excl. verzenden, afhalen mag ook.
[image]

Henk

Generator

door Lonny, 15-02-2011, 15:40 (5417 dagen geleden) @ Doeve

Beste Doeve,

Ziet er een nette verzorgde generator uit ,maar verder ontbreken ook alle
gegevens....

Kan dus moeilijk oordelen of ik dit toestel zou kunnen gebruiken

Graag, indien mogelijk naam fabrikant (niet leesbaar op foto) en specificaties

Alvast hartelijk dank

Met vriendelijke groeten,
Marc Chaerle

Generator

door Doeve @, Borgercompagnie, 16-02-2011, 22:33 (5416 dagen geleden) @ Lonny

Dag Lonny

leuk dat je reageert
Het is een leuk apparaat.
Het merk is ELMI en het type ZYHK 40101/
er op het net wel wat van te vinden.
Het comlete orginele serviceboek is er bij.

Ik hoor nog wel van je
Henk

Generator

door Doeve @, Borgercompagnie, 17-02-2011, 22:49 (5415 dagen geleden) @ Doeve

Ik heb eventueel relaties in St truiden. is dat dicht genoeg bij?
Henk

Generator

door Lonny, 18-02-2011, 15:14 (5414 dagen geleden) @ Doeve

Beste Doeve,

Sorry hoor, maar met de beste wil van de wereld kan ik ergens gegevens
vinden over dat toestel.
Is het mogelijk om me een mailtje te sturen met en link ? of een stukje van de manual in pfd ?

Op het forum mag dit immers niet

Neen Sint Truiden is volledig de andere kant op, maar zover zijn we nog niet
eerst even specificaties bekijken

Met vriendelijke groeten,
Marc Chaerle

Generator

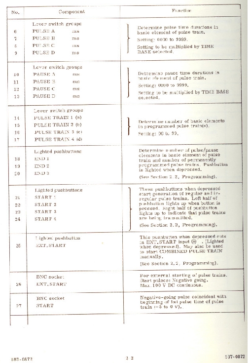
door Doeve @, Borgercompagnie, 19-02-2011, 12:10 (5413 dagen geleden) @ Lonny

Ik heb wat gescanned.
[image][image][image][image][image][image]

Hopelijk heb je (jullie) er nog wat aan.
Henk

Generator

door Joost Schotte, 21-02-2011, 21:13 (5411 dagen geleden) @ Doeve

Elmi is of was een deense fabrikant van meetapparatuur voor digitale telefooncentrales.
In de jaren 90 is Elmi opgenomen in de Great Northern Group en omgedoopt tot GN Elmi.
Ze produceerden toestellen die gebruikt werden om storingen op te sporen in telefooncentrales. De generatoren (EPGxx) sturen specifieke pulstreinen door de centrales en de lijnen, de analysers (bvb EMP11) analyseren de signalen. Hiermee werd niet alleen de PCM voice codering geanalyseerd, maar ook de signalisatie tussen de centrales.

Mvg,
Joost

powered by my little forum