![[image]](images/uploaded/202010251011265f954f4e085d6.jpg)
Mijn vraag is er zit een toon schakelaar op voor aan/uit
is het mogelijk om daar een audio signaal (muziek) voor te gaan gebruiken met aan/uit
GR-Johan...
Beeldgenerator vraag
door soundman2
, Wouw, 25-10-2020, 11:31 (1944 dagen geleden) @ johan
Gewijzigd door soundman2, 25-10-2020, 11:51
Hier staat het schema.
https://elektrotanya.com/nordmende-fg387.pdf/download.html
Bij RMORG kun je alles van de generator downloaden. Voor niet leden drie pagina's per dag.
Als er geen ingang op zit voor extern audio (TON EXT.), dan kun je alleen de ingebouwde toongenerator 1KHz aan of uit zetten. Ook de 5,5MHz carrier is uitschakelbaar.
Een duidelijke foto van voor en achterzijde, kan de vraag ook beantwoorden.
Beeldgenerator vraag
door Maurice
, Dordrecht, 25-10-2020, 12:41 (1944 dagen geleden) @ johan
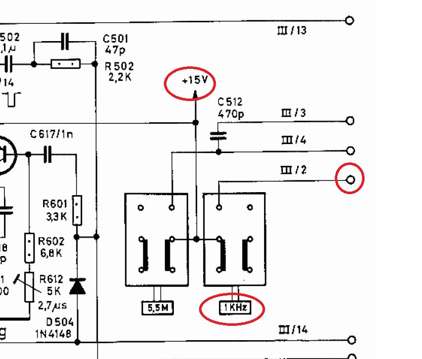
De 1kHz generator wordt aan en uit gezet middels aan en af schakelen van de
15V voeding op de generator pin 2 is dat.
Je ziet schakelaar heeft vrije contacten.
Lijkt me op testpunt "77" de onderbreking maken en een audio signaal
middels koppelcondensator aan bieden.
![[image]](images/uploaded/202010251138285f9563b42a59c.jpg)
![[image]](images/uploaded/202010251138405f9563c032b33.jpg)
![[image]](images/uploaded/202010251138485f9563c8eb95d.jpg)
Beeldgenerator vraag
door johan
, Waalwijk, 26-10-2020, 17:06 (1943 dagen geleden) @ johan
Heeft iemand van u een compleet schema
van de Beeldgenerator en hoe ik het kan maken.
met die audio???
Beeldgenerator vraag
door soundman2
, Wouw, 26-10-2020, 19:19 (1943 dagen geleden) @ johan
Gewijzigd door soundman2, 26-10-2020, 19:29
Als je de reacties leest op jouw vraag, dan weet je waar het schema staat en ook dat je alle docu kunt downloaden bij RMORG.
Als je aan het schema niet genoeg hebt, kun je beter het apparaat origineel laten.
Tenzij je een TV station wil beginnen, voegt een audioingang niet zo veel toe.
Voor metingen aan het geluidsgedeelte is de 1KHz generator voldoende.
Externe audio moet ook weer aan bepaalde eisen voldoen, om de modulator netjes uit te sturen etc. en dan mis je ook nog EXT.video in.