Grundig radiomeubel -> stroom (Algemeen)

door cde653 @, Houten, 23-08-2023, 17:34 (910 dagen geleden)

Geachte forum gebruikers,

Ik ben in het bezit van een Grundig radiomeubel KS 724, Chassis-nr: CS 12 (van ca.1969), ooit nieuw gekocht door mijn ouders. Het apparaat krijgt geen spanning meer. Ik heb vastgesteld dat één van de twee te schakelen draden van de aan-/uit schakelaar, welke door een kabeltje wordt geactiveerd vanaf diverse druktoetsen, niet meer werkt. Toen ik het printplaatje met de 2 zekeringen en de 220/110 V schakeling van het chassis losmaakte lieten spontaan een aantal soldeerverbindingen met het plaatje los. Met behulp van een schema op dit forum heb ik ze weer gesoldeerd. Aangezien ik een leek ben in schema's lezen, leek het mij verstandig om een advies te vragen voor ik de radio weer onder stroom zet. Het gaat om de bovenste 4 pennen van de achterkant van het 220/110 Volt schakelblokje. mijn volgorde is van links naar recht: zwart, rood (of oranje), blauw en grijs.
Aan de onderste twee pennen (over de onderste zekering) heb links de witte- en rechts de gele draad gesoldeerd.(zie foto's).
Is er misschien ook een schema te verkrijgen van dit radiomeubel?

Een andere vraag is, wat te doen met de schakelaar (zie foto's). Ik dacht aan drie mogelijkheden:
a) Het niet werkende contact door-solderen. (Schakelt nog op de andere wisselstroomdraad)?
b) De schakelaar losmaken en proberen te herstellen, dus openen?
c) Een andere schakelaar kopen, indien nog te verkrijgen, en vervangen.
In geval van b) of c): hoe doe ik dat met het aan de schakelaar vastgeklonken kabeltje?

Ik voeg vast een paar foto's bij. Een beetje hulp zou heel welkom zijn.

[image][image][image][image][image][image][image]

Vast bij voorbaat zeer bedankt. Met vriendelijke groet,

Coen Dekker

Grundig radiomeubel -> stroom

door soundman2 @, Wouw, 23-08-2023, 18:38 (910 dagen geleden) @ cde653
Gewijzigd door soundman2, 23-08-2023, 18:45

Het is uitkijken deze keer. Een foutje in de netbedrading kan vervelende defecten veroorzaken.
Met meten is er wel uit te komen. Ik zou op de 220V aansluiting een lage (begrensde) spanning aansluiten, om vervolgens te meten of de overige spanningen van de trafo kloppen. Die moeten dan ook ca 10% zijn. Als je het goede schema hebt is er wel uit te komen. Overigens heb ik nog geen schema van Einbau chassis 12 gevonden., ook niet van 8064-2401
Het holnietje van de schakelaar een beetje open knijpen met een tangetje. Vermoedelijk kun je het weer hergebruiken. Anders zijn dergelijke (holnietjes nog wel te koop. Wellicht lukt het ool met een stukje metalen buis uit een ballpoint.
Het niet werkende schakelcontact doorverbinden levert in de normale praktijk geen (veiligheids-) probleem op.

Grundig radiomeubel -> stroom

door soundman2 @, Wouw, 23-08-2023, 21:28 (910 dagen geleden) @ soundman2

Kan het niet meer wijzigen, maar met de lage aan te sluiten lage spanning denk ik iets van 20 tot 24 V AC

Grundig radiomeubel -> stroom

door cde653 @, Houten, 25-08-2023, 10:18 (909 dagen geleden) @ soundman2

Oké, bedankt.

Grundig radiomeubel -> stroom

door Maarten Bakker ⌂ @, Haarlem/Delft, 23-08-2023, 22:32 (910 dagen geleden) @ soundman2
Gewijzigd door Maarten Bakker, 23-08-2023, 22:33

Het niet werkende schakelcontact doorverbinden levert in de normale praktijk geen (veiligheids-) probleem op.

Ik zou daarbij de bedrading wel aan beide zijden losnemen. De daarna aanelkaargesoldeerde draadjes kun je met 2 laagjes krimpkous isoleren.

Hoewel het bij dit type schakelaar misschien wel meevalt, heb ik bij netschakelaars van televisies te vaak problemen gezien met doorverbinden direct op de schakelaar. Er kan toch een kruipspoor ontstaan met uiteindelijk kortsluiting tot gevolg.

Grundig radiomeubel -> stroom

door cde653 @, Houten, 25-08-2023, 10:28 (909 dagen geleden) @ Maarten Bakker

Bedank, voor de info, het doorverbinden van één van de polen verdient ook niet mijn voorkeur.

Grundig radiomeubel -> stroom

door cde653 @, Houten, 25-08-2023, 10:17 (909 dagen geleden) @ soundman2

Bedankt voor de tip. Ik zal het voor de ingebruikname met een lagere spanning uitproberen.

Grundig radiomeubel -> stroom

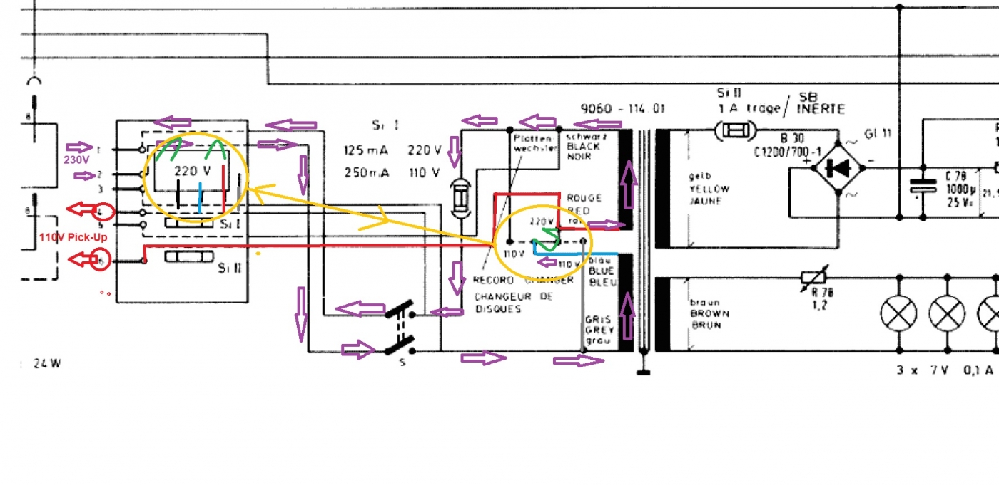
door Maurice ⌂ @, Dordrecht, 23-08-2023, 22:09 (910 dagen geleden) @ cde653

Zwart , blauw, rood,grijs

Als je maar zorgt dat blauw en rood het lusje bevat.
Dan staan beide spoelen in serie en dus 230V.

Volgens schema dan wel.

Pick-up motor is 110V staat op de bovenste spoel.

[image]

Grundig radiomeubel -> stroom

door cde653 @, Houten, 25-08-2023, 10:41 (909 dagen geleden) @ Maurice

Bingo, dit is denk ik wat ik zoek, ik ga er mee aan de slag. Bedankt.

Grundig radiomeubel -> stroom

door Goldline @, Oranjedorp, 23-08-2023, 22:43 (910 dagen geleden) @ cde653

indien de schakelaar aan de onderkant 2 boutjes heeft, is demontage en herstellen vaak mogelijk.

--
Cees PA1DBA

Grundig radiomeubel -> stroom

door cde653 @, Houten, 25-08-2023, 10:52 (909 dagen geleden) @ Goldline

De schakelaar heeft 2 boutjes aan de onderkant. Kan hem dus openen. Ik moet alleen nog even uitzoeken hoe ik het kabeltje wat vast aan de schakelaar gemonteerd is en via wieltjes met de druktoetsen is verbonden kan losmaken en weer installeren.

Grundig radiomeubel -> stroom

door soundman2 @, Wouw, 25-08-2023, 12:08 (909 dagen geleden) @ cde653
Gewijzigd door soundman2, 25-08-2023, 12:10

Ik moet alleen nog even uitzoeken hoe ik het kabeltje wat vast aan de schakelaar gemonteerd is en via wieltjes met de druktoetsen is verbonden kan losmaken en weer installeren.

Lees mijn bijdrage nog eens.
In plaats van een holnietje kun je ook een half binnenwerkje van een kroonsteentje nemen. Met een schroefje zit het m.i. vast genoeg.

Grundig radiomeubel -> stroom

door cde653 @, Houten, 25-08-2023, 14:53 (909 dagen geleden) @ soundman2

Sorry, ik kon als leek het woord holnietje niet gelijk plaatsen. Begrijp het nu en ga het proberen, als de schakelaar nog te redden valt. Bedankt.

Grundig radiomeubel -> stroom

door cde653 @, Houten, 28-08-2023, 11:55 (906 dagen geleden) @ cde653

Hartelijk bedank allemaal. Met jullie hulp, met name met behulp van het schema van Maurice, heb ik de radio weer aan de praat gekregen. Toch een stukje verleden uit mijn jeugd, weer wat toekomst gegeven. De schakelaar was toch niet te openen. Er zaten toch geen schroefjes in de gaatjes aan de achterkant. Ik heb voorlopig het kapotte contact door-gesoldeerd. Dat werkte. Op internet heb ik een gebruikte, maar werkende schakelaar gevonden en besteld, mocht de oude het toch nog begeven. Volgende project is een Gerrard (zie foto) direct drive draaitafel zonder spanning?! en een Grundig 4 sporen (niet stereo) taperecorder, beide ongeveer uit dezelfde periode als het radiomeubel. Vriendelijke groet, Coen Dekker
[image]

powered by my little forum