Akai GX600DB gaat na ongeveer 10 a' 15 minuten langzaam draaien. (Gezocht)
door A. Ouwehand
, Amersfoort, 17-12-2025, 17:32 (96 dagen geleden)
Akai GX600DB bandrecorder gaat na ongeveer 10 a' 15 minuten langzaam draaien.
Nu heb ik deze beker elco gevonden, welke behoorlijk lek lijkt te zijn.
Zie de smurrie.
Na ongeveer 10 a' 15 minuten gaat de elco ook warm worden, maar niet heet.
Nu zoek ik een vervangend exemplaar.
De doorsnee moet 3 cm zijn, en als het mogelijk is 7 cm lang, maar mag korter zijn.
Zie de waarden op de foto's.
Wie kan mij aan een goed exemplaar helpen, of waar deze te verkrijgen is ?
![[image]](images/uploaded/202512171623386942d90a3df4b.jpg)
![[image]](images/uploaded/202512171629296942da69ac738.jpg)
--
A. Ouwehand
Tony Ouwehand
Akai GX600DB gaat na ongeveer 10 a' 15 minuten langzaam draaien.
door Goldline
, Oranjedorp, 17-12-2025, 18:19 (96 dagen geleden) @ A. Ouwehand
Gewijzigd door Goldline, 17-12-2025, 18:21
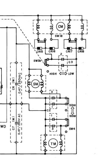
Tony, dit is de motorcondensator ,vermoedelijk wordt die 1 uF met een schakelaar op 50HZ stand
parallel aan de 2uF verbonden.
Dus een standaard motor c van 3uF/275Vac zou voldoen.
![[image]](images/uploaded/202512171721256942e69588da8.jpg)
--
Cees PA1DBA
Akai GX600DB gaat na ongeveer 10 a' 15 minuten langzaam draaien.
door Otto
, Drenthe, 17-12-2025, 18:29 (96 dagen geleden) @ Goldline
Tony, dit is de motorcondensator ,vermoedelijk wordt die 1 uF met een schakelaar op 50HZ stand
parallel aan de 2uF verbonden.
Hallo Cees, het kan ook zijn dat de ene dienst doet als startcondenstator. Zodra de motor loopt wordt die afgeschakeld. Op die manier heb je voldoende koppel om vanuit stilstand op gang te komen.
--
Ohm sweet Ohm...
![[image]](http://www.nfor.nl/radioforumservice/images/misc/tuil_mail.png)
Akai GX600DB gaat na ongeveer 10 a' 15 minuten langzaam draaien.
door Otto
, Drenthe, 17-12-2025, 18:20 (96 dagen geleden) @ A. Ouwehand
Akai GX600DB bandrecorder gaat na ongeveer 10 a' 15 minuten langzaam draaien.
Nu heb ik deze beker elco gevonden, welke behoorlijk lek lijkt te zijn.
Dit is geen elco maar een motorcondensator. Zal lastig worden om er eentje te vinden met dubbele functie. Probeer toch eens of twee enkele van 1 resp. 2 uF passen, al was het om te testen.
Otto
--
Ohm sweet Ohm...
![[image]](http://www.nfor.nl/radioforumservice/images/misc/tuil_mail.png)
Akai GX600DB gaat na ongeveer 10 a' 15 minuten langzaam draaien.
door Goldline
, Oranjedorp, 17-12-2025, 18:26 (96 dagen geleden) @ Otto
Gewijzigd door Goldline, 17-12-2025, 18:31
Op 50 HZ is de C van de capstan motor 3u en op 60HZ slechts 2u
![[image]](images/uploaded/202512171725536942e7a1682ce.jpg)
--
Cees PA1DBA
Akai GX600DB gaat na ongeveer 10 a' 15 minuten langzaam draaien.
door Otto
, Drenthe, 17-12-2025, 18:31 (96 dagen geleden) @ Goldline
Oké, duidelijk...
--
Ohm sweet Ohm...
![[image]](http://www.nfor.nl/radioforumservice/images/misc/tuil_mail.png)
Akai GX600DB gaat na ongeveer 10 a' 15 minuten langzaam draaien.
door Goldline
, Oranjedorp, 17-12-2025, 18:34 (96 dagen geleden) @ A. Ouwehand
Dan kan je ook beter de 2 c's van de spoelmotoren vervangen, deze zijn 4u
--
Cees PA1DBA
Akai GX600DB gaat na ongeveer 10 a' 15 minuten langzaam draaien.
door A. Ouwehand
, Amersfoort, 30-12-2025, 14:49 (83 dagen geleden) @ A. Ouwehand
Het is inmiddels gelukt en speelt weer zoals het moet.
Heb hem vervangen door deze 3uF.
Sorry voor de wat platgedrukte foto's.
![[image]](images/uploaded/202512301348306953d82e1fadb.jpg)
![[image]](images/uploaded/202512301348496953d841eb63c.jpg)
--
A. Ouwehand
Tony Ouwehand
Akai GX600DB gaat na ongeveer 10 a' 15 minuten langzaam draaien.
door Maurice
, Dordrecht, 30-12-2025, 15:31 (83 dagen geleden) @ A. Ouwehand
Mooi opgelost,
En handig om te weten als mijn GX600DB het opgeeft.
Afgelopen weekend nog prima gespeeld.
Akai GX600DB gaat na ongeveer 10 a' 15 minuten langzaam draaien.
door A. Ouwehand
, Amersfoort, 30-12-2025, 17:42 (83 dagen geleden) @ Maurice
Het was voor mij abacadabra wat ik moest doen en welke vervanger ik moest hebben.
Ja, ik ben een leek in deze.
Ik snapte het niet helemaal om deze te vervangen.
De oude had 3 aansluitingen en de nieuwe 2 !
Begreep niet helemaal om de 60 en 50 Hz aan elkaar te moeten knopen.
Na wat hulp, bleek het gewoon de 60 en 50 aan elkaar te knopen op de nieuwe.
Oke, 60 Hz werkt dan niet meer, maar 50 Hz wel.
We hebben hier toch 50 Hz, en is dus geen probleem.
Dus de 1uF en de 2uF van de oude aan elkaar solderen aan de nieuwe, en de andere aan de common.
--
A. Ouwehand
Tony Ouwehand