Reparatie vintage CD-speler (Algemeen)

door Mick @, 19-01-2026, 23:41 (46 dagen geleden)
Gewijzigd door Mick, 19-01-2026, 23:44

Beste Forummers,

Ik ben bezig met de reparatie van een vroege draagbare CD-speler. Het gaat om de Memorex CD-3000, dat is de equivalent van de Toshiba XR-P9. In een kringloopwinkel voor een tientje gekocht.

Eerste probleem was de voeding, daarin bleek een elco'tje sluiting te maken waardoor de +5V niet opkwam. Deze vervangen, werkt weer. Volgende probleem was een niet vrij lopende CD. Dit kwam doordat enkele van de rubbertjes waarmee het chassis verend is opgehangen, volledig uitgedroogd en verbrokkeld waren. Deze vervangen door O-ringen.
[image]
Toen kwam de motor niet goed op gang en maakte vreemde geluiden. Een paar druppeltjes molykote olie en het liep weer geruisloos. Nu speelt het apparaatje zowaar prima CD's af! Maar helaas, zonder geluid. Niet op de hoofdtelefoon en niet op de lijn-aansluiting.
[image]
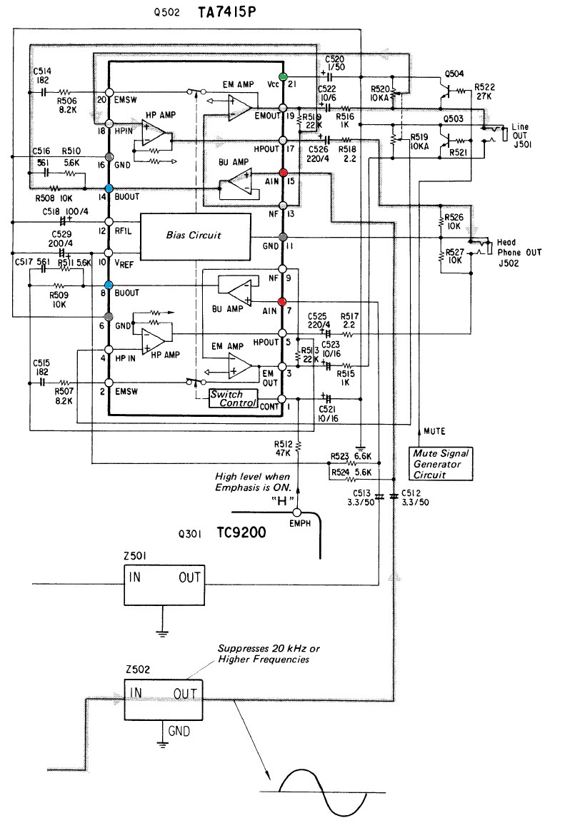
Ik ben gestrand bij de audio versterker, een IC van het type TA7415P. Op de beide ingangen (pen 7 en 15) is op de scoop een LF-signaal zichtbaar, maar er komt nergens geluid uit het IC. Een defect IC dacht ik, en een nieuwe besteld. Deze er in gesoldeerd (priegelwerkje maar lukte goed, aansluitingen met de loupe gecontroleerd). Maar nog steeds geen geluid!
[image]
Er staat 5 Volt op pen 21 en de massa aansluitingen (6, 11, 16) zijn in orde. Op de pennen 7 en 15 staat dus een audio signaal en dan zou ik op pen 8 en 14 toch iets willen zien, maar daar is het scoop beeld een horizontale lijn. Net als op de andere uitgangen. Doodstil dus.
[image]
Hoe nu verder? Op goed geluk nog een IC kopen en opnieuw proberen? Of zie ik nog iets over het hoofd?

Alvast dank en groeten, Mick

Reparatie vintage CD-speler

door MarcelvdG @, 20-01-2026, 06:03 (46 dagen geleden) @ Mick
Gewijzigd door MarcelvdG, 20-01-2026, 06:10

Wat voor gelijkspanning (instelspanning) staat er op poten 10, 7, 15, 8 en 14? Is C529 of C518 misschien kortgesloten?

Reparatie vintage CD-speler

door Goldline @, Oranjedorp, 20-01-2026, 10:36 (46 dagen geleden) @ Mick

Kijk eens of je MUTE lijn niet hoog is.
zoniet vermoedelijk nog wel een elkotje rond het lf ic.

--
Cees PA1DBA

Reparatie vintage CD-speler

door MarcelvdG @, 20-01-2026, 15:05 (45 dagen geleden) @ Goldline

Kijk eens of je MUTE lijn niet hoog is.
zoniet vermoedelijk nog wel een elkotje rond het lf ic.

Volgens het schema zou MUTE geen invloed op de poten 8 en 14 mogen hebben.

Reparatie vintage CD-speler

door Goldline @, Oranjedorp, 20-01-2026, 17:21 (45 dagen geleden) @ MarcelvdG

Inderdaad Marcel, maar wel op de uitgangen.
Vref kan natuurlijk ook ontbreken door sluiting in een C.

--
Cees PA1DBA

Reparatie vintage CD-speler

door MarcelvdG @, 20-01-2026, 17:59 (45 dagen geleden) @ Goldline

Tuurlijk, maar in het eerste bericht van deze draad staat: "Op de pennen 7 en 15 staat dus een audio signaal en dan zou ik op pen 8 en 14 toch iets willen zien, maar daar is het scoop beeld een horizontale lijn. Net als op de andere uitgangen. Doodstil dus."

Reparatie vintage CD-speler

door Mick @, 20-01-2026, 20:46 (45 dagen geleden) @ MarcelvdG

Dank heren voor jullie suggesties. Ik ga wat punten controleren. De mute had ik ook al aan gedacht maar dan zou ik op pen 8 en 14 toch wel iets van signaal verwachten.
Bij nieuwe gezichtspunten laat ik het hier weten.

Groeten, Mick

Reparatie vintage CD-speler

door Mick @, 20-01-2026, 23:28 (45 dagen geleden) @ Mick

De suggestie van Marcel was in de roos. De spanning op pen 10 (Vref) van het IC was 0,01 Volt. C529 uitgesoldeerd. De voet van de elco voorspelt al niet veel goeds...
[image]
Gemeten: sluiting.
Wat een geweldig forum is dit toch! Ik heb weer hoop op een goede afloop van de reparatie.

Nogmaals dank en groeten, Mick

Reparatie vintage CD-speler

door Dominic @, Breda, 22-01-2026, 09:06 (44 dagen geleden) @ Mick

Ondanks dat ik en velen met mij vaak gekant zijn tegen rücksichtlos recappen heeft dat met dit soort Japanse apparaten uit de jaren '80 met veel miniatuur elco'tjes inmiddels weldegelijk zin.

Mijn ervaring is inmiddels dat al die oude miniatuurelco'tjes die jij oa ook laat zien inmiddels lek of dood zijn. Ik zou dus het hele printje voorzien van nieuwe elco'tjes. Waarschijnlijk zijn de anderen ook aan het overlijden.


Dominic

Reparatie vintage CD-speler

door Mick @, 24-01-2026, 17:29 (41 dagen geleden) @ Dominic

Ja, dank voor de tip. Ik heb 3 willekeurige elco'tjes uit gesoldeerd en gecontroleerd op lek en capaciteit. Die waren alle 3 goed.
Een probleem bij het vervangen van deze elco's zijn de afmetingen. De defecte van 4 Volt en 220 uF heeft een hoogte van 6 mm. De kleinste die nu te koop zijn, zijn 6,3 Volt en deze zijn 11 mm hoog. Dat past niet in de behuizing. Dus moet er een creatieve oplossing komen.

Groeten, Mick

Reparatie vintage CD-speler

door kris ⌂ @, Gent, België, 25-01-2026, 00:56 (41 dagen geleden) @ Mick

Je kan ze eventueel vervangen door SMD elco's waarvan je eerst de pootjes rechtplooit.

Reparatie vintage CD-speler

door Mick @, 29-01-2026, 21:15 (36 dagen geleden) @ Mick
Gewijzigd door Mick, 29-01-2026, 21:17

Voor wie deze draad nog leest: ik heb de defecte elco vervangen en er was weer geluid! Vanwege ruimtegebrek (omdat het vervangende exemplaar groter was dan de originele) heb ik deze aan de andere kant van de print gemonteerd waar nog net voldoende ruimte was.
Toen nog een breuk die in een flat cable was ontstaan, overbrugd (4 aders).
[image]

Het ziet er wat provisorisch uit maar het werkt goed.
[image]

En de potmeter van de volumeregelaar schoongemaakt. Inmiddels zit alles weer in elkaar. Het was een flinke klus maar met veel geduld en hulp van dit forum is het gelukt.

Dank & groeten, Mick

Reparatie vintage CD-speler

door Maurice ⌂ @, Dordrecht, 29-01-2026, 22:41 (36 dagen geleden) @ Mick

We vinden altijd leuk om uiteindelijke resultaat te vernemen.

Veel luister plezier.

Reparatie vintage CD-speler

door MarcelvdG @, 30-01-2026, 19:33 (35 dagen geleden) @ Mick

Fijn dat het gelukt is!

powered by my little forum