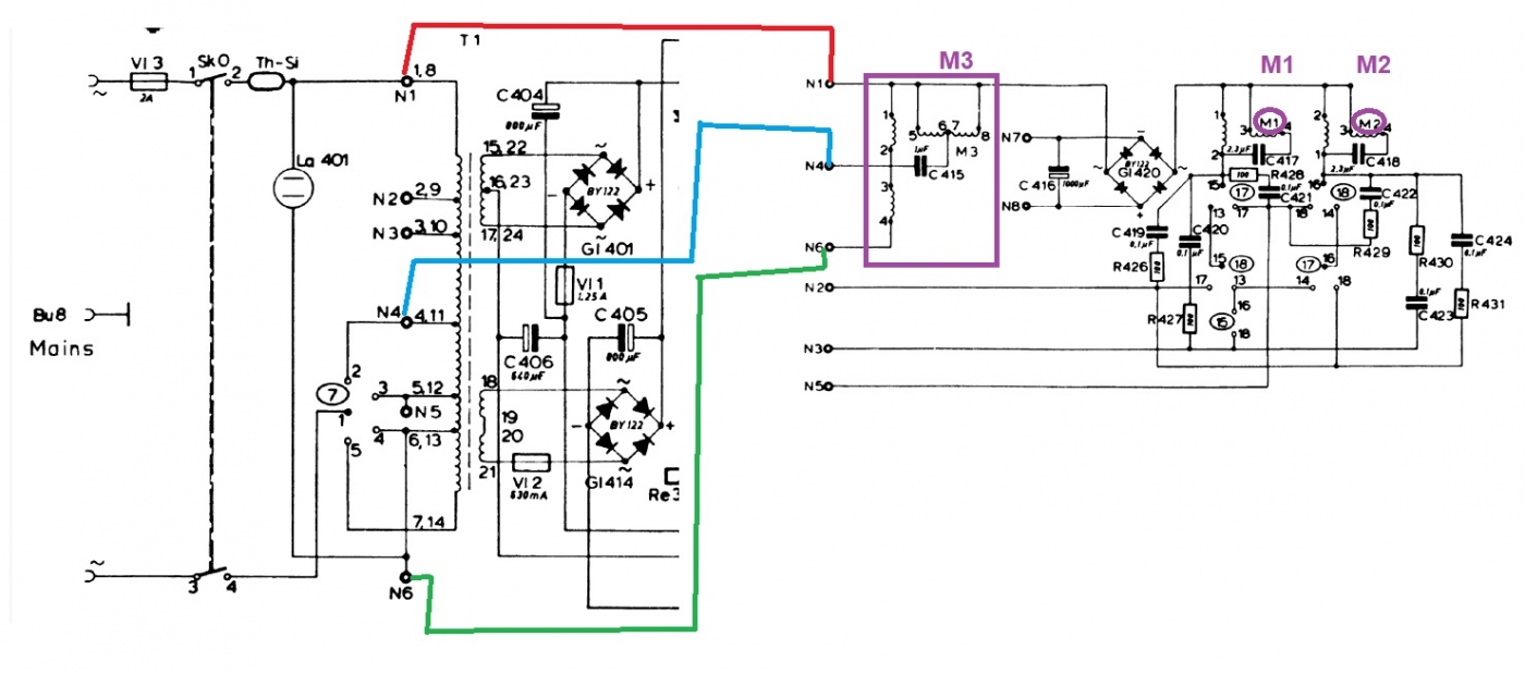
Philps Pro12-Capstanmotor (Algemeen)
M3 de capstanmotor start direct als netschakelaar an gaat.
Aangesloten op 2 spoelen van de voedingstrafo.
N1-N4-N6
Ik denk 2x 110V
N1-N4 = 110V
N4-N6 =110V
Controleer dat eerst.
N4 gaat direct door naar C415 (Dus niet ook naar knoop 2-3)
Ik zie immers geen bolletje getekend op kruising 2-3.
Spoel 1-2 staat in serie met 2-3
Spoel 5-6 en 7-8 ook in serie waarbij midden 6-7 ook C415 zit.
Vliegwiel wordt afgeremd en strak op toeren gehouden via die koperen schijf.
Deze remt de motor, motor draait iets sneller zonder belasting.
Dit door permanente magneten.
Deze kunnen afgesteld worden, lees hieronder de beschrijving.
![[image]](images/uploaded/20260211172058698cba7a18780.jpg)
![[image]](images/uploaded/20260211172114698cba8a15062.jpg)
Complete draad:
- Philps Pro12 -
PE1PJA,
14-04-2024, 17:44
- Philps Pro12 -
Maarten Bakker,
14-04-2024, 18:03
- Philps Pro12 -
PE1PJA,
14-04-2024, 18:45
- Philps Pro12 -
soundman2,
14-04-2024, 19:59
- Philps Pro12 -
PE1PJA,
14-04-2024, 20:13
- Philips Pro12 - soundman2, 14-04-2024, 21:02
- Philips Pro12 -
PA2JAN,
14-04-2024, 23:51
- Philips Pro12 - PE1PJA, 15-04-2024, 10:10
- Philps Pro12 -
PE1PJA,
14-04-2024, 20:13
- Philps Pro12 -
soundman2,
14-04-2024, 19:59
- Philps Pro12 -
PE1PJA,
14-04-2024, 18:45
- Philps Pro12 - douwebakker, 14-04-2024, 18:53
- Philps Pro12 -
Maurice,
14-04-2024, 22:09
- Philps Pro12 -
soundman2,
15-04-2024, 13:26
- Philps Pro12 - PE1PJA, 15-04-2024, 14:27
- Philps Pro12 - PE1PJA, 15-04-2024, 14:20
- Philps Pro12 -
soundman2,
15-04-2024, 13:26
- Philps Pro12 -
gert van wee,
15-04-2024, 15:29
- Philps Pro12 - PE1PJA, 15-04-2024, 16:17
- Update Philps Pro12 -
PE1PJA,
17-04-2024, 19:31
- Update Philps Pro12 -
henkk56,
18-04-2024, 21:17
- Update Philps Pro12 -
soundman2,
18-04-2024, 23:38
- Update Philps Pro12 - PE1PJA, 19-04-2024, 09:28
- Update Philps Pro12 -
Goldline,
19-04-2024, 13:58
- Update Philps Pro12 - PE1PJA, 19-04-2024, 14:46
- Update Philps Pro12 -
PE1PJA,
19-04-2024, 09:27
- Update Philps Pro12 -
soundman2,
19-04-2024, 10:48
- Update Philps Pro12 -
PE1PJA,
19-04-2024, 14:52
- Update Philps Pro12 -
Maurice,
19-04-2024, 15:41
- tijdmeting Philps Pro12 -
PE1PJA,
22-04-2024, 15:47
- tijdmeting Philps Pro12 - Maurice, 22-04-2024, 16:16
- tijdmeting Philps Pro12 -
Jac Janssen,
22-04-2024, 17:31
- tijdmeting Philps Pro12 -
PE1PJA,
22-04-2024, 17:45
- tijdmeting Philps Pro12 -
Marinus J,
22-04-2024, 18:31
- tijdmeting Philps Pro12 -
PE1PJA,
22-04-2024, 18:46
- tijdmeting Philps Pro12 -
Marinus J,
23-04-2024, 16:10
- tijdmeting Philps Pro12 - PE1PJA, 23-04-2024, 16:28
- tijdmeting Philps Pro12 -
Marinus J,
23-04-2024, 16:10
- tijdmeting Philps Pro12 -
PE1PJA,
22-04-2024, 18:46
- tijdmeting Philps Pro12 -
Marinus J,
22-04-2024, 18:31
- tijdmeting Philps Pro12 -
PE1PJA,
22-04-2024, 17:45
- tijdmeting Philps Pro12 -
PE1PJA,
22-04-2024, 15:47
- Update Philps Pro12 -
Maurice,
19-04-2024, 15:41
- Update Philps Pro12 -
PE1PJA,
19-04-2024, 14:52
- Update Philps Pro12 -
soundman2,
19-04-2024, 10:48
- Update Philps Pro12 -
soundman2,
18-04-2024, 23:38
- Update Philps Pro12 -
henkk56,
18-04-2024, 21:17
- Philps Pro12 -
Fred-Erik Dicke,
17-10-2024, 11:04
- Philps Pro12 -
PE1PJA,
18-10-2024, 10:28
- Philps Pro12 -
soundman2,
19-10-2024, 21:52
- Philps Pro12 -
Maurice,
20-10-2024, 11:35
- Philps Pro12 -
PE1PJA,
20-10-2024, 12:40
- Philps Pro12 -
Maurice,
20-10-2024, 12:58
- Philps Pro12 -
PE1PJA,
20-10-2024, 13:35
- Philps Pro12 - Maurice, 20-10-2024, 13:51
- Philps Pro12 -
PE1PJA,
20-10-2024, 13:35
- Philps Pro12 -
Maurice,
20-10-2024, 12:58
- Philps Pro12 -
PE1PJA,
20-10-2024, 12:40
- Philps Pro12 -
Maurice,
20-10-2024, 11:35
- Philps Pro12 -
soundman2,
19-10-2024, 21:52
- Philps Pro12 -
PE1PJA,
18-10-2024, 10:28
- Philps Pro12 -
wimromeijn,
11-02-2026, 16:04
- Philps Pro12-Capstanmotor -
Maurice,
11-02-2026, 17:54
- Philps Pro12-Capstanmotor - wimromeijn, 11-02-2026, 18:04
- Philps Pro12-Capstanmotor -
Maurice,
11-02-2026, 18:21
- Philps Pro12-Capstanmotor - wimromeijn, 11-02-2026, 21:30
- Philps Pro12-Capstanmotor -
Leo Snoeren,
11-02-2026, 19:31
- Philps Pro12-Capstanmotor -
wimromeijn,
11-02-2026, 21:28
- Philps Pro12-Capstanmotor - Leo Snoeren, 11-02-2026, 21:47
- Philps Pro12-Capstanmotor -
wimromeijn,
11-02-2026, 21:28
- Philps Pro12 -
Ben,
11-02-2026, 20:03
- Philps Pro12 - wimromeijn, 11-02-2026, 21:09
- Philps Pro12-Capstanmotor -
Maurice,
11-02-2026, 17:54
- Philps Pro12 -
Maarten Bakker,
14-04-2024, 18:03