Amerikaanse Yamaha equalizer (Algemeen)

door mrP @, 03-03-2026, 19:48 (4 uur en 18 minuten geleden)

Hallo,

Binnenkort krijg ik een vintage Yamaha EQ 70 equalizer uit Amerika binnen. Deze is 12 volt en wil ik aansluiten op 230v. Ik lees op internet allerlei opties. Op de achterzijde van het apparaat staat 120volts, 5watts en 60hz. Wat is aan te raden als omvormer hiervoor? (Liefst een omvormer die geen geluid produceert)
Alvast dank!

Groeten,

Peter

Amerikaanse Yamaha equalizer

door Goldline @, Oranjedorp, 03-03-2026, 20:21 (3 uur en 45 minuten geleden) @ mrP

[image]
succes!

--
Cees PA1DBA

Amerikaanse Yamaha equalizer

door Maurice ⌂ @, Dordrecht, 03-03-2026, 21:22 (2 uur en 44 minuten geleden) @ mrP

Peter,

Er zit een hele simpele 16Vac in trafo in.
Met er achter een heel eenvoudig gelijkricht voeding.

Dus zoek een passende 230V/16V trafo die inbouwen en je bent klaar.

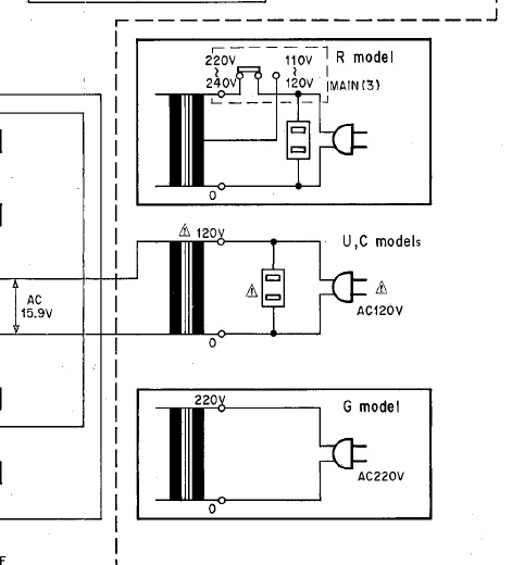
Uit de Yamaha EQ-70 service manual:

[image]

Amerikaanse Yamaha equalizer

door soundman2 @, Wouw, 03-03-2026, 22:50 (1 uur en 16 minuten geleden) @ Maurice

Peter,

Er zit een hele simpele 16Vac in trafo in.
Met er achter een heel eenvoudig gelijkricht voeding.

Dus zoek een passende 230V/16V trafo die inbouwen en je bent klaar.

Uit de Yamaha EQ-70 service manual:

[image]

Dat is de beste optie.
De trafo's zijn in Amerika krapper berekend i.v.m. 60HZ.
Voor je de juiste spanning toe maar dan bij 50Hz, wordt de originele trafo toch te warm.

Amerikaanse Yamaha equalizer

door ewoud @, Amstelveen, 03-03-2026, 21:38 (2 uur en 28 minuten geleden) @ mrP

Beste Peter,

Of zonder de EQ open te maken een trafo 230VAC naar 115-120/125VAC voorzien van een stekker en contrastekker.

vriendelijke groet,
Ewoud

Amerikaanse Yamaha equalizer

door ewoud @, Amstelveen, 03-03-2026, 21:46 (2 uur en 20 minuten geleden) @ mrP

Beste Peter,

Ik kwam dit tegen op internet, misschien is het wat.

https://www.allekabels.nl/spanningsomvormer/1741/1045238/spanningsomvormer.html?mc=nl-nl&gad_...

vriendelijke groet,

Ewoud

powered by my little forum