Antistatische verpakking (Toestel of techniek)
door ecc802
, Bilzen Limburg België, 22-03-2026, 13:43 (47 dagen geleden)
Beste lezers.
Ik heb zo mijn bedenkingen over een levering van enkele LOCMOS Ic'tjes. De onderdelen in kwestie 2 stuks "Quad decade-counter/miltiplexer type GZF1201" werden geleverd op een plakje foam.
Na een test bleek er 1 nieuw geleverd IC'tje defect te zijn.
![[image]](images/uploaded/2026032212422169bfe3ad5156a.jpg)
De verkoper beweerd dat dieze foam wel degelijk antistatisch is maar heb mijn twijfels hierover. Bovendien zaten de IC'tjes los in een kartonnen verpakking.
Heeft iemend hier een andere mening over . . . .graag wil ik dit dan horen.
Antistatische verpakking
door soundman2
, Wouw, 22-03-2026, 14:15 (47 dagen geleden) @ ecc802
Gewijzigd door soundman2, 22-03-2026, 14:17
er bestaat kennelijk ook een GZF1201P. De P zou voor protected kunnen staan.Dan zitten er protectiediodes in.
Ik weet niet of de serie vergelijkbaar is met de ic's uit de HEF serie van Philips. Daarvan heb ik er nimmer een stuk gehad oner degrte aantallen die ik gebruikt heb.
Antistatische verpakking
door Piet van der Pol
, 22-03-2026, 16:07 (47 dagen geleden) @ ecc802
Of jou materiaal antistatisch is, weet ik niet. Maar antistatische verpakking voor halfgeleiders wordt al lang in allerlei kleuren gebruikt.
Piet
![[image]](images/uploaded/2026032215071869c005a6c7d92.jpg)
Antistatische verpakking
door electron
, eindhoven, 22-03-2026, 17:22 (47 dagen geleden) @ ecc802
Die GZF1201 moet wel iets bijzonders zijn- kan er niets! over vinden.
Ja- die HEF 4000 series kunnen wel wat hebben.
Dat zwarte antistatische schuim kan wat mij betreft- gestolen worden.
Wordt hard en brokkelig- of KLEVERIG! en blijft aan de ic-pootjes vastzitten.
Heb wel eens doorzichtig metallisch grijs folie gemeten bij 500V
met differentiaal voltmeter en kwam uit op meer dan 200 Giga-Ohm weerstand.
Ben@
Antistatische verpakking
door Maarten Bakker
, Haarlem/Delft, 22-03-2026, 18:56 (47 dagen geleden) @ ecc802
Gewijzigd door Maarten Bakker, 22-03-2026, 19:29
Zijn het geen ECL IC's? Die zijn niet echt statisch gevoelig.
[EDIT: Correctie: volgens TeardownOZ2CPU zou het IC equivalent kunnen zijn met een HEF4737 dus toch CMOS]
Kun je eens foto's van de IC's zelf plaatsen? Roze schuim is vaak van de Chinees. Niet altijd, maar toch. Dan is er natuurlijk ook een kansje dat het valse of uitgesoldeerde IC's zijn.
Ik denk dat het niet geleidend is zoals het zwarte, maar wel antistatisch.
Antistatische verpakking
door ecc802
, Bilzen Limburg België, 22-03-2026, 20:11 (47 dagen geleden) @ Maarten Bakker
Dag Maarten,
Of deze LOCMOS IC's gevoelig zijn aan statische elektriciteit weet ik niet zeker
maar het zijn geen gewone CMOS uitvoeringen. Het IC werd dikwijls gebruikt in
PHILIPS Counters en dit was hier dus ook het geval. De counter was defect en heb een aantal IC's moeten vervangen waaronder 2 stuks van deze "GSF1201P". De Counters waarin deze IC's zitten hebben nogal eens de reputatie dat ze defect gaan, vervangen is de enige optie.
Het is ook zo dat er zelden of niets over terug is te vinden op het internet en met een klein beetje geluk heeft één of andere verkoper ze nog liggen tussen hun nieuwe oude stock en dat was ook hier het geval, productie hiervan is al heel lang geleden stop gezet.
Ik heb ook de foam even getest met mijn megger op 1000V, geen ohmse waarden meetbaar. Deze rooskleurig foam is volgens mij dan ook niet statisch bestendig voor halfgeleiders.
Volgende foto's tonen ook de IC's in kwestie en de foam waarop deze verstuurd wereden.
![[image]](images/uploaded/2026032219100569c03e8dc9625.jpg)
![[image]](images/uploaded/2026032219103369c03ea9deef9.jpg)
![[image]](images/uploaded/2026032219104669c03eb62bfef.jpg)
Met vriendelijke groeten . .
Ludo
Antistatische verpakking
door electron
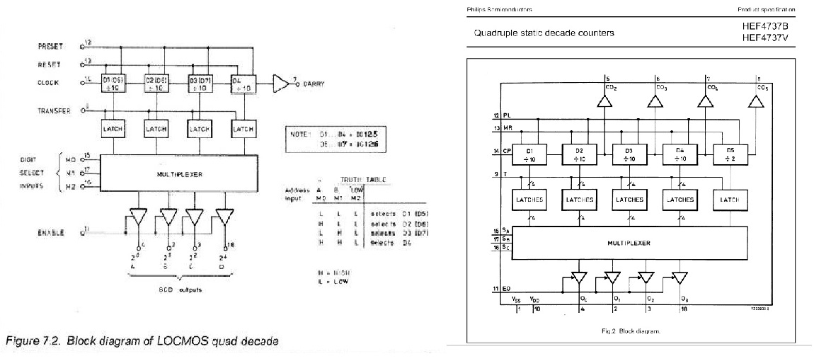
, eindhoven, 22-03-2026, 20:49 (47 dagen geleden) @ ecc802
@Ludo- als dat blokschema 22-03-2026, 20:11 van GZF1201 is.
Dan is HEF4737 prima geschikt. Maarten heeft gelijk! Ben je voorzien- of WAT?
Ben@
![[image]](images/uploaded/2026032219474069c0475c81443.jpg)
Antistatische verpakking
door ecc802
, Bilzen Limburg België, 22-03-2026, 22:27 (47 dagen geleden) @ electron
HALLO?
Inderdaad het IC "GZF1201P" lijkt wat betreft pinout en werking als twee druppels water op
het IC HEF4737 maar er is wel een verschil in voedingsspanning.
Mijn Philips counter PM6664 was defect maar door beide GZF1201P IC's te vervangen en nog enkele
andere IC's is de counter weer terug in orde en perfect werkende.
Wat mij opvalt is dat voedingspinnen van de GZF1201P met een afwijkende voedingsspanning verbonden zijn.
PIN 10: VDD is hier 6.4V, niks om zorgen over te maken zou ik zeggen.
PIN 1: VSS is verbonden met een neg. voedingsspanning van -2.1V.
De uitgangspuls getoont op de oscilloscoop zijn dan in hoge toestand "positief in spanning" en in lage toestand "negatief".
Bij het IC HEF4737 is de PIN "VSS" rechtstreeks verbonden met de ground.
Het is dus niet zeker of beide IC's zomaar uitwisselbaar zijn, misschien is ombouw wel mogelijk
maar dit is niet altijd zeker.
Bovendien is de HEF4737 erg duur, de GZF1201P daarentegen heb ik kunnen aankopen voor nog geen 3 euro/stuk, de keuze voor het oude type is dan vlug gemaakt hé.
Met vriendelijk groeten.
Ludo
Antistatische verpakking
door electron
, eindhoven, 23-03-2026, 00:00 (47 dagen geleden) @ ecc802
hef-cmos voeding: 3v-15v. gnd= vss potentiaal. mag best -2v zijn.
knettergek wat ze op Ebay vragen voor zo'n 4737. 22 euro voor eentje.
maar goed- je bent voorzien, en het werkt- mooi.
Ben@
Antistatische verpakking
door Maarten Bakker
, Haarlem/Delft, 23-03-2026, 01:43 (46 dagen geleden) @ ecc802
Gewijzigd door Maarten Bakker, 23-03-2026, 01:47
Ze zien er wel origineel uit. Het bovenste IC ziet er bovendien uitgesoldeerd uit. Niet persé erg, want dan weet je dat hij origineel is. Wel een probleem omdat er dan soms eentje bij kan zitten die vóór het uitsolderen al stuk was.
Waar heb je ze gekocht? Een naam hoef je niet te noemen, maar lokale winkel, internethandelaar in Nederland of België? Ebay in welk land? Aliexpress?
Antistatische verpakking
door ecc802
, Bilzen Limburg België, 23-03-2026, 12:32 (46 dagen geleden) @ Maarten Bakker
Dag Maarten,
Het bovenste IC op foto is gedesoledeerd uit de defecte counter en was ook de
oorzaak van het defect in het Philips meetapparaat.
Het onderste IC op foto is nieuw maar spijtig genoeg ook defect geleverd.
De IC's heb ik aangekocht bij een plaatselijke dealer in Belgie.
MVG
Antistatische verpakking
door Maurice
, Dordrecht, 23-03-2026, 18:07 (46 dagen geleden) @ ecc802
Waarom ga je er vanuit dat het deze verpakking was dat dat oorzaak is?
Begrijp ik werkelijk geheel niet.
Geen enkele vorm van aanwijzing dat dat het probleem is.
Ik kan nog 100den oorzaken bedenken waarom die voor dat deze verpakt op dat stukje foam
mogelijk al defect was.
Buiten dat, leverancier heeft ongeacht een defect product geleverd.
Of geld terug of vervangen.
Hoe simpel is het.
Daarnaast als je niet product gegevens weet van stukje gekleurd foam is dat ook gissen in de ruimte.
Geldt dat voor beide partijen, als verzender niet als zodanig besteld heeft maar uit doos oude verpakkingsmaterialen heeft gepakt.
Of jij zelf nu met totaal geen idee wat dat stukje foam is, betreft samenstelling enz.
Goed je kunt er wat aan meten, maar feiten weet je niet.
Mijn ervaring met moderne ICs is dat je wel erg je best moet doen om stuk te krijgen,
dat tijden handelen dan wel...
Of je moet wel heel statisch geladen zijn.
Kan ook nog dat toch zelf actie bij uitnemen van IC nog gebeurd is,
Menig rolstoel over vloeren laden zich flink op.
Had je wel een anistatisch polsbandje om en dito mat gebruikt?
Gezegd merk je echt wel als je regelmatig in je werkplaats ergens een statische tik op gelopen hebt.
Enfin, stukje foam gaan aanmerken als DE oorzaak,,,, vaag.,
Antistatische verpakking
door ecc802
, Bilzen Limburg België, 23-03-2026, 21:21 (46 dagen geleden) @ Maurice
Dag Maurice,
De aanzet van deze topic was begonnen met de vraag of de verpakking goed genoeg was om
de onderdelen te beschermen tegen statische elektriciteit. De bewuste IC's zaten samen met twee anderen TTL IC'tjes op dezelfde foam geprikt en de foam leek me niet zo echt geschikt voor deze componenten, enfin, ik was er niet mee vertrouwd.
Tegenwoordig kunnen de onderdelen zeker heel wat hebben en daar kan ik van meespreken.
Lang geleden waren bepaalde halfgeleiders zeer gevoelig voor statische ladingen en waren ze geprikt op geleidende foam of verpakt in statischvrije plastieke zakjes en doosjes en daar was ik wel mee vertrouwd.
Waarom één van beide nieuwe IC's nu defect is en waar dit dan gebeurd is weet ik ook niet.
Bij zo een herstellingen maak ik steeds gebruik van een antistatisch mat en een polsbandje, zowel bij het uitpakken van de onderdelen als bij de inbouw hiervan en ja ik gebruik ook al vele jaren een antistatische vloermat. Ondanks mijn vele jaren ervaring in het herstellen van elektronische apparatuur weet ik dan ook dat het af en toe eens een keertje kan mislopen, wie niets doet kan ook nooit iets fout doen.
Nee hoor Maurice, ik wil niemand met de vinger wijzen en dat was ook niet mijn bedoeling.
Feit is dat de counter nu weer perfect werkt . . . . ![]()
Met vriendelijke groeten . . .
Antistatische verpakking
door electron
, eindhoven, 22-03-2026, 21:14 (47 dagen geleden) @ Maarten Bakker
Hoi Maarten- Leuk dat je Thomas Scherrer gevonden hebt- toffe en leerzame kerel.
Zijn hoofd doet mij aan Humpty Dumpty denken- is als PaasEi! Ending OffTopic Here!
Ben@
Antistatische verpakking
door kris
, Gent, België, 22-03-2026, 23:12 (47 dagen geleden) @ ecc802
De verkoper beweerd dat dieze foam wel degelijk antistatisch is maar heb mijn twijfels hierover. Bovendien zaten de IC'tjes los in een kartonnen verpakking.
Heeft iemend hier een andere mening over . . . .graag wil ik dit dan horen.
Die roze foam is idd antistatisch, maar nog steeds niet geleidend. (met de megger ga je dus niets meten, die is te ongevoelig hiervoor)
De roze foam geleidt net genoeg om te beletten dat hij zelf door frictie geen bron van statische ontladingen wordt, maar beschermt niet tegen externe ESD ontlading.
Nu, een kartonnen doosje is in wezen geen bron van ESD.
gewoon pech? maar, voor minder dan € 3... er zijn veel ergere dingen in de wereld...
Antistatische verpakking
door electron
, eindhoven, 23-03-2026, 00:05 (47 dagen geleden) @ kris
Met een Diff. V-meter bij 500V en uitnullen op bv. nanovolt indicator van 10Mega-Ohm
lukt het goed- tot voorbij 1000Giga-Ohm. Heb roze anti-statische bubbels.
Ben@
![[image]](images/uploaded/2026032223024669c075164eb05.jpg)