goedwerkende signaalvolger/gever (Gezocht)
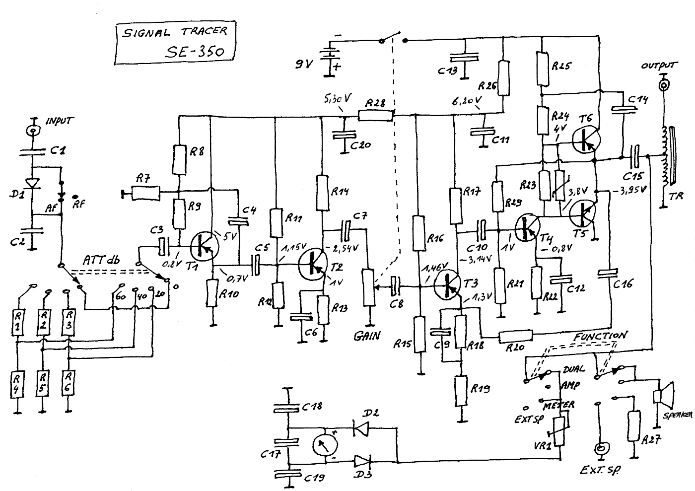
Asjemenou. Nog gevonden ook. Maar het ding ligt uit elkaar. Het is een Sansei SE-350A. Geen schema van maar van de SE-350 is er wel doc te vinden (rm.org). De audiochip M5106P is eruit gegeten door de vorige eigenaar. Die zou kunnen worden vervangen door een LM386.
In ieder geval is er veel werk aan. Goedwerkend is-ie dus niet. Je bent welkom om hem op te halen maar als je ervan afziet snap ik het ook...
![[image]](images/uploaded/2026032809015369c799011ae27.jpg)
![[image]](images/uploaded/2026032809033869c7996ac5fd0.png)
![[image]](images/uploaded/2026032809035369c799794fdcb.png)
Tjerk
Complete draad:
- goedwerkende signaalvolger/gever -
maarten van dijk,
26-03-2026, 20:17
- goedwerkende signaalvolger/gever -
PE9ZZ,
27-03-2026, 11:59
- goedwerkende signaalvolger/gever -
maarten van dijk,
27-03-2026, 13:35
- goedwerkende signaalvolger/gever - PE9ZZ, 28-03-2026, 10:04
- goedwerkende signaalvolger/gever -
maarten van dijk,
27-03-2026, 13:35
- Ben voorzien, iedereen bedankt!
-
maarten van dijk,
28-03-2026, 19:39
- goedwerkende signaalvolger/gever -
PE9ZZ,
27-03-2026, 11:59