Schakelvoeding (Toestel of techniek)
door doktordirk
, Noordbeemster, 21-04-2026, 16:52 (10 uur en 14 minuten geleden)
Ik heb hier een probleempje met een schakelende voeding.
Ben begonnen met een electroliet te vervangen (volgens sommigen ALTIJD! het probleem).
Hier niet dus.
Vervolgens meerdere onderdelen los gehad en gecontroleerd, geen reactie.
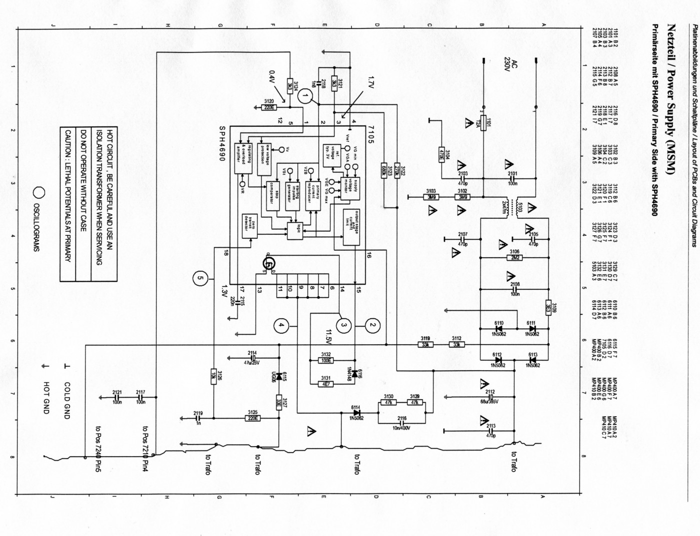
Het schakel ic (SPH690) die de print aardig gebakken had vervangen door een alternatief.
Een TDA4605-3 en een BUZ90A als vervanger geplaatst, hier was op de print op gerekend.
Ook hier mee werkt er niets, de voltages en oscillogrammen zullen alleen van toepassing zijn als de schakeling wel werkt.
![[image]](images/uploaded/2026042114462169e78dbd1ef2d.jpg)
Wat zie ik over het hoofd dat deze eenvoudige schakeling niet werkt zoals bedoeld?
Dit is de huidige situatie van de wat gefrituurde print (nog niet verkoold wat uiteraard ook storingen zou kunnen geven)
![[image]](images/uploaded/2026042114511669e78ee47baef.jpg)
Dirk.
Schakelvoeding
door soundman2
, Wouw, 21-04-2026, 17:15 (9 uur en 52 minuten geleden) @ doktordirk
Gewijzigd door soundman2, 21-04-2026, 17:24
Zijn de primaire en secundaire (met de optcocoupler) regelcircuits in orde?
Die beslissen mede of het ic werkt of niet, zoals bij overbelasting.
Verder kan de winding van de switchmode trafo beschadigd zijn of windingsluiting hebben.
Dergelijke voedingen is echt wat anders als zo'n energievernietigend lineair voedinkje.
Het schema mag er dan "eenvoudig" uitzien. maar om de voeding te repareren moet je echt goed de werking kennen.
Van het ic SPH690 heb ik geen datasheet kunnen vinden.
Schakelvoeding
door doktordirk
, Noordbeemster, 21-04-2026, 18:21 (8 uur en 45 minuten geleden) @ soundman2
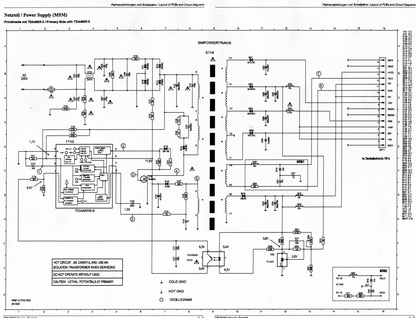
Sorry, mijn fout, ben een 4'tje vergeten.
Dit is het schema met de SPH4690
![[image]](images/uploaded/2026042116151969e7a2975d0f1.jpg)
De opto scheiding werkt, bij verhogen van de 5 volt lijn wordt ook de uitgang van de transistor hoger (om een te hoge uitgangsspanning weer te verlagen??)
Het lijkt me sterk dat ik 2 defecte ic's van HAJE heb gekregen, een prima leverancier overigens.
Dirk.
Schakelvoeding
door Goldline
, Oranjedorp, 21-04-2026, 18:13 (8 uur en 53 minuten geleden) @ doktordirk
Hoi Dirk ,
Om op te starten zijn de 2 weerstanden van 33k van belang om de eerste zet te geven, om de 11,5 v te maken, daarna neemt de trafo het over.
Controleer ook de secundaire dioden op sluiting.
Succes!
--
Cees PA1DBA
Schakelvoeding
door doktordirk
, Noordbeemster, 21-04-2026, 18:38 (8 uur en 28 minuten geleden) @ Goldline
Op dat punt heb ik nu 6.7 volt.
Op de optokopler staat een lager voltage dan op pin 6 van het ic, tekenfoutje?
Neem aan dat de voltages gelden voor een juist werkende schakeling.
Er zit 1 scottkey diode in SB340, volgens een componenten tester ok, maar ik meet met een normale multimeter (laag voltage) een weerstand in doorgangsrichting, is dat goed?
Gewone diodes doen dit niet, moet ik hem op diodetest zetten.
Dirk.
Schakelvoeding
door PE9ZZ
, Amsterdam-West, 21-04-2026, 18:56 (8 uur en 10 minuten geleden) @ doktordirk
Gewijzigd door PE9ZZ, 21-04-2026, 19:08
Is die TDA de MOSFETloze versie van die SPH? Pijnpunt zoals al aangegeven is de opstartspanning over C2114. Als die goed is moet er een stuurspanning (blokgolf) voor de MOSFET aan de uitgang van de chip komen. Heb je die?
Tjerk
Schakelvoeding
door doktordirk
, Noordbeemster, 21-04-2026, 19:49 (7 uur en 18 minuten geleden) @ PE9ZZ
Dat klopt, en beter en goeiekoper met losse fet verkrijgbaar dan het andere type.
Vind het ook wel apart dat er geen enkele vorm van koeling wordt toegepast voor dit ic.
Heb net even gekeken bij een ander model van Grundig waar ongeveer dezelfde voeding in zit.
De onderdelen zijn iets anders gerangschikt, en bij het ic is de print wel iets verkleurd, maar het werkt wel.
Dus het is niet zo dat de andere recorder te veel stroom neemt waardoor de voeding er de brui aan geeft.
Zal de Maurice methode eens uitproberen.
Er zit nu overigens geen BUZ90A in maar een IRFBC30 welke compatibel zou moeten zijn.
Dirk.
Schakelvoeding
door electron
, eindhoven, 21-04-2026, 18:55 (8 uur en 11 minuten geleden) @ doktordirk
misschien langzaam op laten komen met gloeilamp en variac.
kijken waar het fout gaat. diodes (schottky) checken op sluiting (ook secundaire kant).
optocoupler circuit moet natuurlijk werken- p.6 zie ik 9.4 EN 11.5v (?).
schottky meten in diode stand- als stuk meestal 0 ohm.
Ben@
Schakelvoeding
door Maurice
, Dordrecht, 21-04-2026, 19:02 (8 uur en 4 minuten geleden) @ doktordirk
Schakelende voedingen zijn mij ook altijd lastig omdat er veel voorwaarde zijn om aan de gang te slaan.
Voeding regelcircuit is de primair zijde onderste spoel.
Om de eerste klap te geven zijn de weerstanden direct vanaf de brugcel
Daarom is die condensator 2114 (47uf/25V) erg belangrijk, die moet net genoeg opgeladen worden
om spul te starten als voeding voor IC.
De optocoupler controleert de secondaire zijde.
Deze bepaald hoe ver de pulsbreedte nodig is (tijd van aan BUZ90A) om voldoende vermogen
te krijgen aan secondaire zijde.
Voor nauwkeurigheid is er TL431
Spoel 16-17 is dus mede de meet spanning of voldoende vermogen in trafo primair toegevoegd is.
Haal die BUZ90A er uit, zodat er geen vermogen overgedragen wordt.
Dan met voeding(regelbaar) aan secondair zijde op elko 2214/2215 zetten
Regel IC van voeding voorzien via veiligheidstrafo.
Bekijk dan of die optocoupler netjes schakelt.Zo even boven de +5V
Dan weet je dat dat stukje goed werkt en dus IC keurig regelt.
Daarvoor datasheet van IC er bij pakken en zie wat daar voor nodig is dat deze uitgang
actief wordt.
Zo puzzel je laag voor laag de fout er uit.
Als laatste ook.
Vergeet niet dat een verkoolde print een hoog Ohmige weerstand geworden is.
Denk dat dat kool de nodige problemen zal geven.
Schakelvoeding
door Robin van Grunsven
, Melle, België, 21-04-2026, 22:18 (4 uur en 48 minuten geleden) @ Maurice
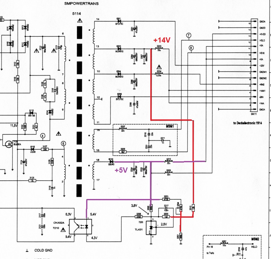
Mooie uitleg Maurice.
Om het zoals door de voeding-ontwerper bedoeld te laten werken moet er wel ook 14V op de 14V-uitgang gezet worden. Die moet namelijk ook stroom leveren (via 3210) aan het weerstandnetwerkje voor de TL431. Als dat niet gebeurt zal de optocoupler rond een andere spanning dan 5V worden geschakeld.
Met vriendelijke groet,
Robin
Schakelvoeding
door Maurice
, Dordrecht, 22-04-2026, 00:47 (2 uur en 19 minuten geleden) @ Robin van Grunsven
Over hoofd gezien zo snel die 14V lijn.
Ja die wordt dus ook gemeten.
Waardes weerstanden in meet circuit zijn dan ook zo gekozen dat beide de regeling bepalen.
![[image]](images/uploaded/2026042122472269e7fe7aadcac.jpg)
Schakelvoeding
door kris
, Gent, België, 21-04-2026, 23:01 (4 uur en 5 minuten geleden) @ Maurice
Schakelende voedingen zijn mij ook altijd lastig omdat er veel voorwaarde zijn om aan de gang te slaan.
zeker, er zijn wat andere strategieën nodig dan bij een lineaire voeding
De optocoupler controleert de secondaire zijde.
Deze bepaald hoe ver de pulsbreedte nodig is (tijd van aan BUZ90A) om voldoende vermogen
te krijgen aan secondaire zijde.
Het is net iets anders, want dit is een flyback voeding, daar regelt de chip de schakelfrequentie. (hoe hoger de belasting, hoe lager de frequentie)
Schakelvoeding
door Maurice
, Dordrecht, 22-04-2026, 00:45 (2 uur en 22 minuten geleden) @ kris
Oh , Frequentie wijziging, levert in dit geval gewenste vermogen.
Dat is ook een manier om gewenste energie overdracht wat er aan de uitgang , secondair gevraagd wordt.
Vergeet nog, kan zijn dat voeding bij test belast moet worden om goed te werken.
Zonder belasting kunnen die pieken aan uitgang zo hoog zijn dat de boel in beveiliging schiet.
Schakelvoeding [ tda4605= PWM ]
door electron
, eindhoven, 22-04-2026, 02:33 (34 minuten geleden) @ kris
Gewijzigd door electron, 22-04-2026, 02:36
Sorry Kris- maar de tda4605 doet enkel PWM modulatie!
Dus vaste frequentie en bredere puls bij hogere belasting.
En zelfs al was het PFM, dan heb je het verkeerd, want
dan is de pulsbreedte constant, en de frequentie gaat OMHOOG bij hogere belasting.
Kortgeleden nog gezien bij pfm geregelde voeding!
Groet, Ben@
![[image]](images/uploaded/2026042200294869e8167ce009a.png)
Schakelvoeding
door Robin van Grunsven
, Melle, België, 21-04-2026, 20:08 (6 uur en 59 minuten geleden) @ doktordirk
Gewijzigd door Robin van Grunsven, 21-04-2026, 20:32
Dirk,
heb je de gelijkgerichte netspanning (circa 310V) over de buffer-C van 385V? Ik heb nl. eens meegemaakt bij een monitor dat die elco capaciteitsloos was. De spanning over elco 2114 kan dan natuurlijk ook nooit hoog genoeg worden om het IC te laten opstarten.
Verder willen de opstartweerstanden (hier 2x 33k) weleens oplopen, waardoor elco 2114 niet voldoende geladen geraakt. Uitsolderen (zoniet geeft meetfouten) en controleren. Je kan dit ook zien op een oscilloscoop: blijft de spanning te laag en statisch wordt er of teveel stroom door het IC gevraagd ofwel zijn de weerstand(en) in waarde opgelopen. Probeert het IC op te starten dan zie je over 2114 een spanning die stijgt (laden 2114) en inzakt (IC start op en pulst FET).
MvG Robin
Schakelvoeding
door Maarten Bakker
, Haarlem/Delft, 21-04-2026, 20:21 (6 uur en 46 minuten geleden) @ doktordirk
Zonder de andere antwoorden te lezen maar uit ervaring: secundaire gelijkrichters testen op kortsluiting.
Schakelvoeding
door kris
, Gent, België, 21-04-2026, 23:04 (4 uur en 2 minuten geleden) @ Maarten Bakker
Zonder de andere antwoorden te lezen maar uit ervaring: secundaire gelijkrichters testen op kortsluiting.
Idd.
En dan met de scoop kijken of de gate van de schakelfet al dan niet een eerste puls krijgt. Als dat heel snel ophoudt kan het een protectie zijn door ergens een sluiting (voeding hierbij via de scheidingstrafo aansluiten, en bij iedere meetpoging eerst de primaire elco ontladen.
voor wij hem heeft, ook hier kan je de ringtester gebruiken. en anders een blokgolfoscillator..
Schakelvoeding
door Anton van den Oever
, Hazerswoude-dorp, 21-04-2026, 21:50 (5 uur en 16 minuten geleden) @ doktordirk
Ik heb hier een probleempje met een schakelende voeding.
Ben begonnen met een electroliet te vervangen (volgens sommigen ALTIJD! het probleem).
Hier niet dus.
Ik weet welke je hebt vervangen, maar ik heb 2 x eerder bij een soortgelijke voeding een capaciteitsloos elco'tje (die 47µF of 4µ7 aan de onderzijde van de deler) gehad.
Weliswaar waren die niet zo gehavend als de jouwe, maar even nazien zou ik zeker doen.
m.vr.gr.
Anton van den Oever
Schakelvoeding
door doktordirk
, Noordbeemster, 21-04-2026, 23:09 (3 uur en 58 minuten geleden) @ doktordirk
Bedankt voor alle reacties tot nu.
Ik ga nu even op een oor liggen, en morgen met frisse moed de aangedragen ideeen uitproberen.
Dirk.