Heathkit ip27 transistor stuk DTG-600 gevraagd of een vv (Algemeen)
Zal me maar voorstellen
Bert is de naam en knoei graag met buizen en heb een hekel als er een transistor in het schema staat
Maar vaak zijn ze toch wel handig
Radio Zend Amateur alleen niet erg actief
Woonachtig in gemeente Rucphen sinds 2022
Maar waarom ik hier ben is omdat ik een vervanger nodig heb van een transistor
De DTG-600 Op Ebay staat er een
De verkoper in VS vraagt 30 dollar voor de transistor en 51 dollar voor het verzenden , ik vermoed dat hij hem zelf komt brengen
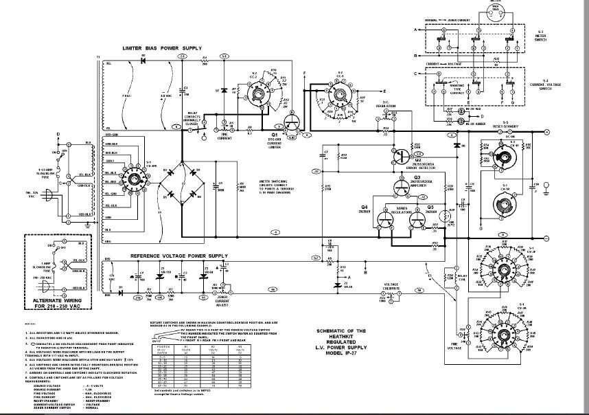
De transistor is de Current Limitter in Heathkit IP27 de transistor er in heeft een Heathkit nummer 417-142
Daar is weer in een lijst de verwijzing naar de DTG-600
Er zit een sluiting in tussen Colector en Emitter
Het is een germanium pnp 60 Watt 15A en C E spanning van max 50 volt
Het zit met een isolatie plaatje achterop een 1,5 mm dik achterkant
Dus bij minder dan langdurig gebruik zal hij wel heel blijven
Maar zeker met warm weer in een kast onder of boven een ander toestel wat aanstaat blijft het niet heel is gebleken
Maar ik ga er maar een koelblok bij zetten , had ik beter eerst kunnen doen
Kan iemand mij aan die transistor helpen !! Uiteraard wil ik er een redelijke vergoeding voor betalen
Alvast bedankt alllen voor het lezen van mijn verhaal en vraag
Met vriendelijke groet Bert
Heathkit ip27 transistor stuk DTG-600 gevraagd of een vv
door Bredero
, Vlaanderen, 05-03-2023, 20:49 (1056 dagen geleden) @ Opabert
"Het is een germanium pnp 60 Watt 15A en C E spanning van max 50 volt"
Ik heb de indruk dat dit een vergissing is. Mvg
Heathkit ip27 transistor stuk DTG-600 gevraagd of een vv
door Opabert
, 05-03-2023, 20:56 (1056 dagen geleden) @ Bredero
Dag meneer Bredero
Ik heb vaak dat iets verkeerds typ , maar Wat is de reden dat u vermoed dat dit een vergissing is ?
Power supply Ip27 klopt
Transistor DTG-600 klopt ook
En hij is echt stuk en ik zou graag er een kunnen kopen om die powersupply weer te repareren
Misschien is dit duidelijker
Met vriendelijke groet Bert
Heathkit ip27 transistor stuk DTG-600 gevraagd of een vv
door Hersteller
, Haarlem, 05-03-2023, 21:29 (1056 dagen geleden) @ Opabert
Kan hij vervangen worden door een silicium powertor, of ga je voor origineel?
Heathkit ip27 transistor stuk DTG-600 gevraagd of een vv
door focus103
, Zaandam, 05-03-2023, 22:47 (1056 dagen geleden) @ Hersteller
Gewijzigd door focus103, 05-03-2023, 23:01
heb even gekeken op het schema en als je een silicium transistor gaat gebruiken wordt de stroom 7/2 maal groter om te begrenzen basis emitter spanning silicium is 0,7volt en germanium 0,2 volt
Je kan op zoek gaan naar ("Germanium" pnp transistor to3 15 amp 100 volt).
Kom ze wel tegen maar onder 12 eurie kwam ik niet.
Of weerstanden in waarde aanpassen zodat je 0,7 volt heb in plaatst van die 0,2.
![[image]](images/uploaded/2023030521465164050dcbe31c1.jpg)
Las net de opmerking van Marbel en als dat om D7 gaat is dat wellicht ook een mogelijkheid.
Heathkit ip27 transistor stuk DTG-600 gevraagd of een vv
door Opabert
, 05-03-2023, 23:00 (1056 dagen geleden) @ focus103
Ja liever niet Waarschijnlijk heb ik dan een schoendoos met transistoren nodig
Heathkit ip27 transistor stuk DTG-600 gevraagd of een vv
door Opabert
, 05-03-2023, 23:03 (1056 dagen geleden) @ focus103
Ja ik durf dat niet aan ik ben niet meer zo scherp door medicijnen gebruik ook last van concentratie problemen en dat wordt een jaren project wat onder het buro komt als ik zo er aan begin
Heathkit ip27 transistor stuk DTG-600 gevraagd of een vv
door Opabert
, 05-03-2023, 22:59 (1056 dagen geleden) @ Hersteller
Ik durf dat niet aan Dan moet er van alles veranderd worden ben ik bang en zo handig ben ik niet met transistoren
Bedankt voor je reactie
Vriendelijke groeten
Bert
Heathkit ip27 transistor stuk DTG-600 gevraagd of een vv
door Hans van Kampen
, Voorhout, 05-03-2023, 21:31 (1056 dagen geleden) @ Opabert
De prijzen lopen nogal uiteen.
![[image]](images/uploaded/202303052031296404fc219abb9.jpg)
--
Hans van Kampen
Heathkit ip27 transistor stuk DTG-600 gevraagd of een vv
door Opabert
, 05-03-2023, 22:52 (1056 dagen geleden) @ Hans van Kampen
Allemaal bedankt voor jullie reacties ben er van overdonderd
Ik weet nog maar half hoe dit werkt hier
Zag ook het schema dus je kan hier ook een plaatje erbij doen
Verder zag ik van gerard meen ik in lelystad een aanbieding van een transistor
Maar ik moet jullie allen reuze bedanken
Waar in welke winkel is dit ?
Heathkit ip27 transistor stuk DTG-600 gevraagd of een vv
door soundman2
, Wouw, 05-03-2023, 22:32 (1056 dagen geleden) @ Opabert
Gewijzigd door soundman2, 05-03-2023, 22:47
Als het PNP is zou ik eens zoeken op AD133 of ASZ16 en dergelijke. Kan een stuk voordeliger uitvallen.
Let op er bestaan over gestempelde AD133 en dat blijken Si torren te zijn.
Als het de serie regelaars zijn, zijn ze waarschijnlijk prima door Silicium exemplaren te vervangen.
![[image]](images/uploaded/2023030521390864050bfcba54c.jpg)
Ik denk dan aan bijv 2N2955
De docu
https://www.audioservicemanuals.com/h/heathkit/heathkit-ip/26873-heathkit-ip-27-manual
Heathkit ip27 transistor stuk DTG-600 gevraagd of een vv
door Maarten Bakker
, Haarlem/Delft, 06-03-2023, 00:05 (1056 dagen geleden) @ soundman2
Ik denk dan aan bijv 2N2955
Om verwarring te voorkomen, kun je die beter MJ2955 of TIP2955 noemen. Zelfs al is de foute typenummering nogal wijdverbreid. De echte 2N2955 is een laagvermogen germaniumtransistortje.
In elk geval is een germaniumvervanger in deze schakeling een stuk makkelijker voor de TS.
Types uit de ASZ serie hebben wat mindere specificaties dan het originele Delco-type, dus dat wordt toch even goed uitkijken.
Heathkit ip27 transistor stuk DTG-600 gevraagd of een vv
door soundman2
, Wouw, 06-03-2023, 14:20 (1056 dagen geleden) @ Maarten Bakker
Gewijzigd door soundman2, 06-03-2023, 14:22
Klopt, hoewel veel datasheets het gewoon een 2N2955 noemen.
Vergissen kun je je echter niet. De MJ2955 of TIP zit een een TO3 behuizing als het goed is. (volgens mij zijn daar ook weer plastic uitvoeringen van.
Bij het gebruik van een Si tor moet wel de stroomsensing weerstanden aangepast worden . Dat woedt weer wat rekenwerk voor de diverse schakelaarstanden.
Heathkit ip27 transistor stuk DTG-600 gevraagd of een vv
door g-rely
, Lelystad, 05-03-2023, 22:45 (1056 dagen geleden) @ Opabert
Ik heb de ASZ15 en 16 in voorraad, maar de DTG-600 heeft een groter vermogen.
Verder kan ik je de 2N441 aanbevelen, ook in voorraad. Deze is 70 Watt, alleen is de uitvoering geen TO-3 Ik hoor wel of je interesse hebt, ze kosten €5 ex verzenden.
Gerard, Lelystad
Heathkit ip27 transistor stuk DTG-600 gevraagd of een vv
door Opabert
, 05-03-2023, 22:56 (1056 dagen geleden) @ g-rely
Hoi gerard ik heb wel intresse in de 70 Watt utvoering 2N2441 als ik het goed onthouden heb is dat ook een germanium pnp transistor? En 5€ ex verzendkosten is zeer redelijk
Heathkit ip27 transistor stuk DTG-600 gevraagd of een vv
door soundman2
, Wouw, 05-03-2023, 23:00 (1056 dagen geleden) @ Opabert
Ik heb het schema bekeken, maar volgens mij kan de 2N2955 TO3 er ook in. Waarschijnlijk moet ookeen weerstand ook aangepast worden.
Heathkit ip27 transistor stuk DTG-600 gevraagd of een vv
door g-rely
, Lelystad, 05-03-2023, 23:01 (1056 dagen geleden) @ Opabert
Inderdaad PNP, Germanium.
Verder via mail?
Heathkit ip27 transistor stuk DTG-600 gevraagd of een vv
door Opabert
, 05-03-2023, 23:05 (1056 dagen geleden) @ g-rely
Is goed stuurt u mij een mail ? Want ik weet niet hoe dat werkt hier
Heathkit ip27 transistor stuk DTG-600 gevraagd of een vv
door Opabert
, 05-03-2023, 23:39 (1056 dagen geleden) @ g-rely
Ik heb de datasheet gevonden van de 2N441 en ik zag dat de CE spanning 40 volt is
Die voeding levert ruim 50 volt als ik dat de stroomregeling dicht zet of kortsluit staat dan de volle voedingspanning over die transistor ?
Als dat zo is gaat hij dan stuk ?
Heathkit ip27 transistor stuk DTG-600 gevraagd of een vv
door g-rely
, Lelystad, 06-03-2023, 13:04 (1056 dagen geleden) @ Opabert
Ik heb in verzameling ook nog gevonden:
2N1358, ADZ12, ASZ15, ASZ18
Alle PNP Ge.
Gerard Lelystad
Heathkit ip27 transistor stuk DTG-600 gevraagd of een vv
door Opabert
, 06-03-2023, 13:51 (1056 dagen geleden) @ g-rely
Ik kijk vanavond en meet is die waardes
Bedankt Gerard
Heathkit ip27 transistor stuk DTG-600 gevraagd of een vv
door Mans Veldman
, Leidschendam, 05-03-2023, 23:46 (1056 dagen geleden) @ Opabert
Ik vind verschillende datasheets die aangeven dat het een 25A tor PNP/GE is.
https://www.datasheetarchive.com/DTG600-datasheet.html
ECG 197 is een vervanger, ligt ook niet voor het oprapen.
Heathkit ip27 transistor stuk DTG-600 gevraagd of een vv
door Bredero
, Vlaanderen, 06-03-2023, 15:31 (1056 dagen geleden) @ Opabert
Ik heb het moeilijk met de gepubliceerde gegevens voor deze transistor, één transistor met max 15 ampere tot een spanning van 50 volt. Dat ding moet bij de eerste seconden doorbranden, men kan dit wat rekken door een koelplaat te gebruiken, meer niet. Wie heeft dezelfde mening of zie ik het niet juist ?
Heathkit ip27 transistor stuk DTG-600 gevraagd of een vv
door Gerard in Zeist
, Zeist, 06-03-2023, 15:45 (1056 dagen geleden) @ Bredero
Gewijzigd door Gerard in Zeist, 06-03-2023, 15:46
Ik heb het moeilijk met de gepubliceerde gegevens voor deze transistor, één transistor met max 15 ampere tot een spanning van 50 volt. Dat ding moet bij de eerste seconden doorbranden, men kan dit wat rekken door een koelplaat te gebruiken, meer niet. Wie heeft dezelfde mening of zie ik het niet juist ?
Behalve de maximale stroom- en spanningswaarde is er ook een maximum vermogen namelijk 60W.
Het is dus niet de bedoeling dat je tegelijk de maximale spanning erop zet en de maximale stroom laat lopen.
Heb je de maximale spanning van 50V erop, dan mag op dat moment de stroom maar ruim 1A zijn om de dissipatie van 60W niet te overschrijden. Wil je er 15A doorheen jagen dan mag op datzelfde moment de spanning niet meer dan 4V zijn.
Heathkit ip27 transistor stuk DTG-600 gevraagd of een vv
door soundman2
, Wouw, 06-03-2023, 15:51 (1056 dagen geleden) @ Gerard in Zeist
Een mogelijkheid is er ook nog om de schakeling aan te passen. Met een kleine GE transistor de stroom meten, bijv een AC128. Daardoor blijft de instelling van de stroom , i.c. de sense weerstanden aan de schakelaar etc., hetzelfde. Vervolgens kun je er dan voor kiezen of dat torretje een si PNP, NPN of wat anders aanstuurt. Zelfs een FET is een mogelijkheid. Komt wel wat rekenwerk en inzicht aan te pas. TS heeft al aangegeven dat hij daarvoor niet voldoende kennis in huis heeft.
Heathkit ip27 transistor stuk DTG-600 gevraagd of een vv
door Opabert
, 06-03-2023, 16:50 (1056 dagen geleden) @ Bredero
Ik heb een 5NU74 gevonden 4 stuks voor 19€ incl verzendkosten
![[image]](images/uploaded/2023030615495864060ba66f46c.png)
Dan zet ik er 2 parallel dan moet het lukken
Heathkit ip27 transistor stuk DTG-600 gevraagd of een vv
door Opabert
, 06-03-2023, 16:54 (1056 dagen geleden) @ Opabert
Allen bedankt voor het zoeken en mee denken
Ik heb de koop gesloten met de verkoper 24 april moeten ze hier zijn
Hoop dat het dan weer werkt met 2 parallel
Met vriendelijke groet
Bert
Heathkit ip27 transistor stuk DTG-600 gevraagd of een vv
door soundman2
, Wouw, 06-03-2023, 17:22 (1056 dagen geleden) @ Opabert
Gewijzigd door soundman2, 06-03-2023, 17:24
Hoop dat het dan weer werkt met 2 parallel
Met vriendelijke groet
Bert
In het schema staat er maar een. Hebben we het al die tijd toch wel over het goede onderdeel gehad? (Transistor Q1)
Heathkit ip27 transistor stuk DTG-600 gevraagd of een vv
door Leo Snoeren
, Dongen, 06-03-2023, 17:35 (1056 dagen geleden) @ Opabert
Hoop dat het dan weer werkt met 2 parallel
Met vriendelijke groet
Bert
Je kan er best twee parallel zetten, maar dan gaat eerst de transistor met de grootste stroomversterking kapot en (vrij snel) daarna de andere.
Transistoren zijn nooit hetzelfde, tenzij je een "paartje" koopt (en die zijn bijna hetzelfde).
Je kan de verschillen weg werken met een serieweerstand.
--
Met vriendelijke groet,
Leo Snoeren
https://www.rrd.link/ (onder constructie)
leosnoeren(apenslingertje)freedom.nl
Heathkit ip27 transistor stuk DTG-600 gevraagd of een vv
door soundman2
, Wouw, 06-03-2023, 17:52 (1056 dagen geleden) @ Leo Snoeren
Gewijzigd door soundman2, 06-03-2023, 17:59
Je kan de verschillen weg werken met een serieweerstand.
Je bedoelt waarschijnlijk, de emitters elk apart aansluiten via een weerstand.
Je moet daar bij denken aan iets van een paar tiende, tot ca een Ohm.
Aanwijzing voor TS
Bij Q4 en Q5 is dat (uiteraard) ook gedaan.
Heathkit ip27 transistor stuk DTG-600 gevraagd of een vv
door Opabert
, 06-03-2023, 18:42 (1056 dagen geleden) @ soundman2
Ja inderdaad emmitor weerstand van paar tiende ohm dat is mijn oplossing om dit toestel weer werkend te krijgen
Bijna alle GE transistor zijn minder in vermogen de ADZ12 20 Watt
De 5NU74 is 50 Watt
![[image]](images/uploaded/2023030615495864060ba66f46c.png)
Wel op het verkeerde been gezet met die 60 Volt dat is C B spanning en de CE 48 volt
Maar niet kort sluiten 