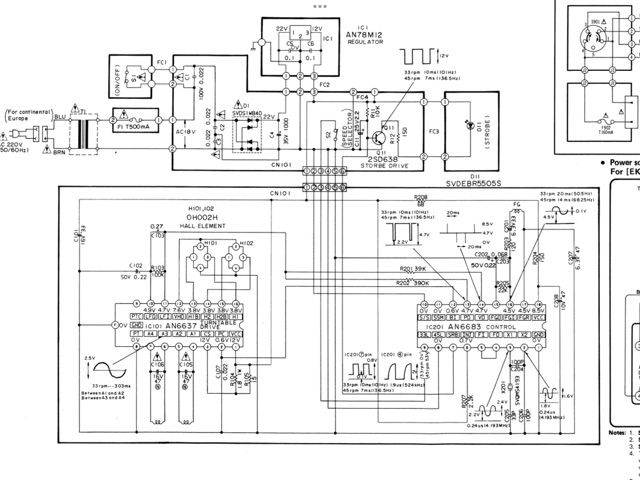
Kristal voor Quartz Technics platenspeler schema Q300 (Gezocht)
![[image]](images/uploaded/2024112514485367448e5524589.jpg)
Complete draad:
- Kristal voor Quartz Technics platenspeler -
francois129,
24-11-2024, 12:20
- Kristal voor Quartz Technics platenspeler -
soundman2,
24-11-2024, 18:16
- Kristal voor Quartz Technics platenspeler -
francois129,
24-11-2024, 19:26
- Kristal voor Quartz Technics platenspeler -
PE9ZZ,
25-11-2024, 14:34
- Kristal voor Quartz Technics platenspeler -
francois129,
25-11-2024, 15:14
- Kristal voor Quartz Technics platenspeler -
Maurice,
25-11-2024, 15:28
- Kristal voor Quartz Technics platenspeler -
francois129,
25-11-2024, 15:39
- Kristal voor Quartz Technics platenspeler schema Q300 -
francois129,
25-11-2024, 15:49
- Kristal voor Quartz Technics platenspeler schema Q300 -
Maurice,
25-11-2024, 18:08
- Kristal voor Quartz Technics platenspeler schema Q300 - francois129, 25-11-2024, 19:10
- Kristal voor Quartz Technics platenspeler schema Q300 -
Maurice,
25-11-2024, 18:08
- Kristal voor Quartz Technics platenspeler schema Q300 -
francois129,
25-11-2024, 15:49
- Kristal voor Quartz Technics platenspeler -
francois129,
25-11-2024, 15:39
- Kristal voor Quartz Technics platenspeler - Laurens, 25-11-2024, 17:54
- Kristal voor Quartz Technics platenspeler -
Maurice,
25-11-2024, 15:28
- Kristal voor Quartz Technics platenspeler -
francois129,
25-11-2024, 15:14
- Kristal voor Quartz Technics platenspeler -
PE9ZZ,
25-11-2024, 14:34
- Kristal voor Quartz Technics platenspeler -
francois129,
24-11-2024, 19:26
- Kristal voor Quartz Technics platenspeler -
francois129,
06-12-2024, 13:59
- Kristal voor Quartz Technics platenspeler -
Maurice,
06-12-2024, 15:40
- Kristal voor Quartz Technics platenspeler - francois129, 06-12-2024, 15:42
- Kristal voor Quartz Technics platenspeler - francois129, 09-12-2024, 14:16
- Kristal voor Quartz Technics platenspeler -
Maurice,
06-12-2024, 15:40
- Kristal voor Quartz Technics platenspeler -
soundman2,
24-11-2024, 18:16