Uitschakelplop versterker (Toestel of techniek)
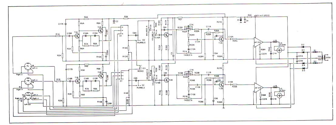
Misschien is schema nu wel handig? Zie ook eerdere post. Check ook meteen de voedingselco's.
![[image]](images/uploaded/2026032405564169c22799e411f.png)
Tjerk
Complete draad:
- Uitschakelplop versterker. -
Hans van Kampen,
22-03-2026, 22:17
- Uitschakelplop versterker. -
PE9ZZ,
23-03-2026, 08:44
- Uitschakelplop versterker. -
Hans van Kampen,
23-03-2026, 08:57
- Uitschakelplop versterker. -
Goldline,
23-03-2026, 10:38
- Uitschakelplop versterker. -
Hans van Kampen,
23-03-2026, 13:13
- Uitschakelplop versterker. -
Goldline,
23-03-2026, 23:43
- Uitschakelplop versterker -
PE9ZZ,
24-03-2026, 06:58
- Uitschakelplop versterker -
kris,
24-03-2026, 10:34
- Uitschakelplop versterker -
Hersteller,
24-03-2026, 11:23
- Uitschakelplop versterker - PE9ZZ, 24-03-2026, 17:18
- Uitschakelplop versterker -
Hersteller,
24-03-2026, 11:23
- Uitschakelplop versterker -
kris,
24-03-2026, 10:34
- Uitschakelplop versterker -
PE9ZZ,
24-03-2026, 06:58
- Uitschakelplop versterker. -
Goldline,
23-03-2026, 23:43
- Uitschakelplop versterker. -
Piet van der Pol,
24-03-2026, 09:36
- Uitschakelplop versterker. - Goldline, 24-03-2026, 10:55
- Uitschakelplop versterker. -
Hans van Kampen,
23-03-2026, 13:13
- Uitschakelplop versterker. - PE9ZZ, 23-03-2026, 23:06
- Uitschakelplop versterker. -
Goldline,
23-03-2026, 10:38
- Uitschakelplop versterker. -
Hans van Kampen,
23-03-2026, 08:57
- Uitschakelplop versterker. -
Gerard in Zeist,
23-03-2026, 10:40
- Uitschakelplop versterker. - Hans van Kampen, 23-03-2026, 13:10
- Dank heren voor de adviezen! - Hans van Kampen, 25-03-2026, 10:12
- Uitschakelplop versterker. -
PE9ZZ,
23-03-2026, 08:44