Helderheid vectorscope niet te regelen. (Toestel of techniek)
Is vrij gemakkelijk je meter uit te breiden met extra meet bereik.
Dan even weten je eigen meter de inwendige weerstand, zie je boekje.
Neem ik even de AVO MK9
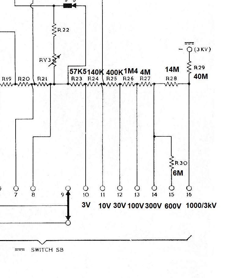
AVO-9 verbruikt 50uA volle uitslag instrument.
Dit komt overeen met 20.000 Ohm per volt.
1000V is dan 20 M Ohm.
Voor 3kV is dat 60 M Ohm
We hadden al 20M in serie, dus nu + 40M
voor bereik van 3.000Vdc.
Tel de weerstanden maar op, serie weerstanden opgeteld =19.997,5 Ohm
Als we dan 20.000 x 3000V doen komen we uit op 60.000.000 Ohm.
We hadden al 20M in serie, dus nodig 40M om op 60M uit te komen.
Je ziet op de foto dat instrument AVO-9 extra plug heeft, links en rechts boven, voor de beide
3kV meet standen (AC en DC)
Zet instrument op 1000V en gebruik de betreffende 3kV plug.
In schema voor DC zien we dan ook die 40M Ohm weerstand zitten op 1000V bereik.
EDIT: Bij de AVO-9 wordt bereik in de MIN geschakeld, vandaar de zwarte pluggen bij beide 3kV(Ac,dc)
Dus hier , rood op rode meetsnoer laten en min snoer op een van de pluggen 3kV.
Als ik straks even tijd heb, zal ik mijn PM5567 openen om wat te meten op die potmeter.
![[image]](images/uploaded/2024012718504165b5508175e20.jpg)
![[image]](images/uploaded/2024012718505065b5508aec23b.jpg)
Complete draad:
- Helderheid vectorscope niet te regelen. -
Hans van Kampen,
27-01-2024, 17:32
- Helderheid vectorscope niet te regelen. -
soundman2,
27-01-2024, 18:28
- Helderheid vectorscope niet te regelen. - Hans van Kampen, 27-01-2024, 19:38
- Helderheid vectorscope niet te regelen. -
Maurice,
27-01-2024, 19:55
- Helderheid vectorscope niet te regelen. - Hans van Kampen, 27-01-2024, 20:17
- Helderheid vectorscope niet te regelen. -
corne,
27-01-2024, 20:08
- Helderheid vectorscope niet te regelen. -
Hans van Kampen,
27-01-2024, 20:51
- Helderheid vectorscope niet te regelen. - Marinus J, 28-01-2024, 12:50
- Helderheid vectorscope niet te regelen. -
Marinus J,
28-01-2024, 12:54
- Helderheid vectorscope niet te regelen. - Hans van Kampen, 28-01-2024, 13:20
- Helderheid vectorscope niet te regelen. -
Marinus J,
28-01-2024, 12:57
- Helderheid vectorscope niet te regelen. - Hans van Kampen, 28-01-2024, 13:31
- Helderheid vectorscope niet te regelen. -
Hans van Kampen,
28-01-2024, 13:54
- Helderheid vectorscope niet te regelen. -
corne,
28-01-2024, 14:07
- Helderheid vectorscope niet te regelen. - Hans van Kampen, 28-01-2024, 14:20
- Nog een constatering... - Hans van Kampen, 28-01-2024, 14:56
- Helderheid vectorscope niet te regelen. -
corne,
28-01-2024, 14:07
- Helderheid vectorscope niet te regelen. -
Hans van Kampen,
27-01-2024, 20:51
- Helderheid vectorscope niet te regelen. -
Maurice,
28-01-2024, 17:25
- Helderheid vectorscope niet te regelen. -
Hans van Kampen,
28-01-2024, 17:58
- Helderheid vectorscope niet te regelen. -
Goldline,
28-01-2024, 18:02
- Helderheid vectorscope niet te regelen. - Hans van Kampen, 28-01-2024, 20:09
- Helderheid vectorscope niet te regelen. -
Maurice,
28-01-2024, 18:37
- Helderheid vectorscope niet te regelen. -
Hans van Kampen,
28-01-2024, 19:15
- Helderheid vectorscope niet te regelen. -
henk vdb,
28-01-2024, 21:22
- Helderheid vectorscope niet te regelen. -
Hans van Kampen,
28-01-2024, 22:02
- Helderheid vectorscope niet te regelen. -
henk vdb,
28-01-2024, 22:29
- Helderheid vectorscope niet te regelen. -
Hans van Kampen,
29-01-2024, 09:34
- Helderheid vectorscope niet te regelen. -
Goldline,
29-01-2024, 10:58
- Helderheid vectorscope niet te regelen. -
Hans van Kampen,
29-01-2024, 11:18
- Helderheid vectorscope niet te regelen. -
Maurice,
29-01-2024, 16:38
- Helderheid vectorscope niet te regelen. - Goldline, 29-01-2024, 16:45
- Helderheid vectorscope niet te regelen. -
Hans van Kampen,
29-01-2024, 17:35
- Helderheid vectorscope niet te regelen. -
Goldline,
29-01-2024, 20:46
- Helderheid vectorscope niet te regelen. -
Hans van Kampen,
29-01-2024, 21:29
- Helderheid vectorscope niet te regelen. - Goldline, 29-01-2024, 21:58
- Helderheid vectorscope niet te regelen. -
Hans van Kampen,
29-01-2024, 21:29
- Helderheid vectorscope niet te regelen. -
Goldline,
29-01-2024, 20:46
- Helderheid vectorscope niet te regelen. -
Maurice,
29-01-2024, 16:38
- Helderheid vectorscope niet te regelen. -
Hans van Kampen,
29-01-2024, 11:18
- Helderheid vectorscope niet te regelen. - ruudam, 29-01-2024, 21:32
- Helderheid vectorscope niet te regelen. -
ruudam,
29-01-2024, 21:35
- Helderheid vectorscope niet te regelen. -
Hans van Kampen,
29-01-2024, 22:03
- Helderheid vectorscope niet te regelen. -
henk vdb,
30-01-2024, 23:39
- Helderheid vectorscope niet te regelen. - Hans van Kampen, 31-01-2024, 12:43
- Helderheid vectorscope niet te regelen. -
henk vdb,
30-01-2024, 23:39
- Helderheid vectorscope niet te regelen. -
Hans van Kampen,
29-01-2024, 22:03
- Helderheid vectorscope niet te regelen. -
Goldline,
29-01-2024, 10:58
- Helderheid vectorscope niet te regelen. -
Hans van Kampen,
29-01-2024, 09:34
- Helderheid vectorscope niet te regelen. -
henk vdb,
28-01-2024, 22:29
- Helderheid vectorscope niet te regelen. -
Hans van Kampen,
28-01-2024, 22:02
- Helderheid vectorscope niet te regelen. -
henk vdb,
28-01-2024, 21:22
- Helderheid vectorscope niet te regelen. - Hans van Kampen, 28-01-2024, 20:14
- Helderheid vectorscope niet te regelen. -
Hans van Kampen,
28-01-2024, 19:15
- Helderheid vectorscope niet te regelen. -
Goldline,
28-01-2024, 18:02
- Helderheid vectorscope niet te regelen. -
Hans van Kampen,
28-01-2024, 17:58
- Morgen de uitslag. - Hans van Kampen, 29-01-2024, 21:33
- Vectorscope werkt -
Hans van Kampen,
30-01-2024, 12:41
- Vectorscope werkt -
Marinus J,
30-01-2024, 13:18
- Vectorscope werkt - Hans van Kampen, 30-01-2024, 13:29
- Let niet op foute instelling nog van beeld. - Hans van Kampen, 30-01-2024, 13:27
- Vectorscope werkt -
Marinus J,
30-01-2024, 13:18
- Complete set werkende. -
Hans van Kampen,
30-01-2024, 17:01
- Complete set werkende. - Hans van Kampen, 30-01-2024, 18:10
- Complete set werkende. - Marinus J, 30-01-2024, 19:29
- Complete set werkende. -
Maurice,
30-01-2024, 19:55
- Dank René en Maurice. - Hans van Kampen, 30-01-2024, 20:16
- Helderheid vectorscope niet te regelen. -
soundman2,
27-01-2024, 18:28