Philips 22RH790 (Kon het niet laten) (Toestel of techniek)
Er is weer stereo ontvangst
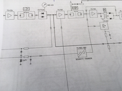
Ik heb de decoder buiten de receiver aangesloten om goed overal bij te kunnen.
Het stereo probleem was o.a. een haperende fitting van het stereolampje, verder heb ik de basis en emittor van TS1104 doorverbonden om de ruisonderdrukking uit te zetten. Door nog onbekende redenen wordt de schmitt trigger niet aangestuurd vanuit D471 
Nog even puzzelen dus
Bedankt weer, Wilfred
![[image]](images/uploaded/201809221413125ba631d892c69.jpg)
![[image]](images/uploaded/201809221413385ba631f2b6114.jpg)
![[image]](images/uploaded/201809221447595ba639ff2609e.jpg)
--
Wilfred Nolles
Email: wilfrednolles(apedingetje)outlook.com
Philips Fish Eye 22AH561
Pioneer RX-300
IMF Super Compact II
Pioneer PL12D-II
Thorens TD160
Verder van alles en nog wat
Complete draad:
- Philips 22RH790 (Kon het niet laten) -
Wilfred-EHT,
15-09-2018, 12:46
- Philips 22RH790 (Kon het niet laten) -
Maurice,
15-09-2018, 23:33
- Philips 22RH790 (Kon het niet laten) -
Wilfred-EHT,
16-09-2018, 10:25
- Philips 22RH790 (Kon het niet laten) -
maarten van dijk,
16-09-2018, 18:44
- Philips 22RH790 (Kon het niet laten) -
Wilfred-EHT,
16-09-2018, 18:58
- Philips 22RH790 (Kon het niet laten) -
FastFolkert,
18-09-2018, 07:36
- Philips 22RH790 (Kon het niet laten) -
Wilfred-EHT,
18-09-2018, 10:35
- Philips 22RH790 (Kon het niet laten) -
soundman2,
19-09-2018, 09:28
- Philips 22RH790 (Kon het niet laten) - Wilfred-EHT, 19-09-2018, 21:20
- Philips 22RH790 (Kon het niet laten) -
soundman2,
19-09-2018, 09:28
- Philips 22RH790 (Kon het niet laten) -
Maurice,
18-09-2018, 22:27
- Philips 22RH790 (Kon het niet laten) - franc, 19-09-2018, 06:49
- Philips 22RH790 (Kon het niet laten) -
FastFolkert,
19-09-2018, 09:11
- Philips 22RH790 (Kon het niet laten) -
Wilfred-EHT,
19-09-2018, 21:39
- Philips 22RH790 (Kon het niet laten) - Maarten Bakker, 20-09-2018, 09:43
- Philips 22RH790 (Kon het niet laten) -
Maurice,
20-09-2018, 17:23
- Philips 22RH790 (Kon het niet laten) -
Wilfred-EHT,
20-09-2018, 18:49
- Philips 22RH790 (Kon het niet laten) -
kris,
20-09-2018, 20:06
- Philips 22RH790 (Kon het niet laten) -
Wilfred-EHT,
20-09-2018, 21:19
- Philips 22RH790 (Kon het niet laten) -
kris,
20-09-2018, 21:43
- Philips 22RH790 (Kon het niet laten) - Wilfred-EHT, 20-09-2018, 21:51
- Philips 22RH790 (Kon het niet laten) -
kris,
20-09-2018, 21:43
- Philips 22RH790 (Kon het niet laten) -
Wilfred-EHT,
20-09-2018, 21:19
- Philips 22RH790 (Kon het niet laten) -
kris,
20-09-2018, 20:06
- Philips 22RH790 (Kon het niet laten) -
Wilfred-EHT,
20-09-2018, 18:49
- Philips 22RH790 (Kon het niet laten) -
Wilfred-EHT,
19-09-2018, 21:39
- Philips 22RH790 (Kon het niet laten) -
Wilfred-EHT,
18-09-2018, 10:35
- Philips 22RH790 (Kon het niet laten) -
FastFolkert,
18-09-2018, 07:36
- Philips 22RH790 (Kon het niet laten) -
Wilfred-EHT,
16-09-2018, 18:58
- Philips 22RH790 (Kon het niet laten) -
maarten van dijk,
16-09-2018, 18:44
- Philips 22RH790 (Kon het niet laten) - Georgespu, 23-09-2020, 18:57
- Philips 22RH790 (Kon het niet laten) -
Wilfred-EHT,
16-09-2018, 10:25
- Philips 22RH790 (Kon het niet laten) -
Wilfred-EHT,
22-09-2018, 12:51
- Philips 22RH790 (Kon het niet laten) -
Goldline,
22-09-2018, 17:04
- Philips 22RH790 (Kon het niet laten) - Wilfred-EHT, 22-09-2018, 19:13
- Philips 22RH790 (Kon het niet laten) -
kris,
22-09-2018, 22:57
- Philips 22RH790 (Kon het niet laten) -
Wilfred-EHT,
22-09-2018, 23:46
- Philips 22RH790 (Kon het niet laten) -
Maurice,
23-09-2018, 10:16
- Philips 22RH790 (Kon het niet laten) -
Wilfred-EHT,
23-09-2018, 10:49
- Philips 22RH790 (Kon het niet laten) - Maurice, 24-09-2018, 07:46
- Philips 22RH790 (Kon het niet laten) -
Maurice,
23-09-2018, 11:21
- Philips 22RH790 (Kon het niet laten) - Wilfred-EHT, 24-09-2018, 18:20
- Philips 22RH790 (Kon het niet laten) -
Wilfred-EHT,
23-09-2018, 10:49
- Philips 22RH790 (Kon het niet laten) -
Maurice,
23-09-2018, 10:16
- Philips 22RH790 (Kon het niet laten) -
Wilfred-EHT,
22-09-2018, 23:46
- Philips 22RH790 (Kon het niet laten) -
Goldline,
22-09-2018, 17:04
- Philips 22RH790 (Kon het niet laten) -
Wilfred-EHT,
02-10-2018, 20:10
- Philips 22RH790 (Kon het niet laten) -
Maurice,
05-10-2018, 18:45
- Philips 22RH790 (Kon het niet laten) - Wilfred-EHT, 06-10-2018, 14:21
- Philips 22RH790 (Kon het niet laten) -
Maurice,
05-10-2018, 18:49
- Philips 22RH790 (Kon het niet laten) - Wilfred-EHT, 06-10-2018, 14:22
- Philips 22RH790 (Kon het niet laten) - Alex, 19-10-2019, 13:41
- Philips 22RH790 (Kon het niet laten) -
Maurice,
05-10-2018, 18:45
- Philips 22RH790 (Kon het niet laten) -
Maurice,
15-09-2018, 23:33